10小時開,14小時關循環定時ic有以下功能:
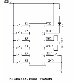
EC340H-04是一款循環定時IC芯片,還有多種功能循環定時模式,產品采用CMOS工藝,自身功耗低,寬工作電壓范圍,可以輸出該高電平和低電平兩種狀態,高電平輸出有20mA、低電平輸出有40mA。內有8中不同的定時模式,分別可設定時間為:
10小時ON~ 14小時OFF
8小時ON~ 16小時OFF
7小時ON~ 17小時OFF
6小時ON~ 18小時OFF
5小時ON~ 19小時OFF
4小時ON~ 20小時OFF
3小時ON~ 21小時OFF
2小時ON~ 22小時OFF
參考電路圖:

電位器調光板,旋鈕調光控制板
雙色溫臺燈線路板
循環定時蠟燭芯片,8小時開16小時關
電話咨詢
產品中心
聯系麗晶微
網站地圖