EC19072301-V05-28AE按鍵定時開關芯片,作為一款專為小風扇定時切換、寵物用品等消費類電子產品設計的定時開關解決方案,其獨特的功能特性和電氣性能使其在市場中脫穎而出。本文將詳細介紹這款芯片的功能說明、電氣參數及其在實際應用中的優勢與使用方法。
功能說明:
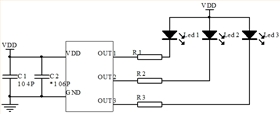
EC19072301-V05-28AE按鍵定時開關芯片采用四檔按鍵循環定時方案,為用戶提供了極大的便利。其供電方式靈活,支持DC 5V 4A快充適配器,確保了設備的穩定供電。芯片通過一個輕觸開關輸入,即可實現五路輸出,包括4路指示燈和1路PMOS輸出。這種設計不僅簡化了電路結構,還提高了設備的可靠性。
在定時模式方面,該芯片提供了四種定時選項:1小時、2小時、3小時和4小時,分別對應四顆LED指示燈。當設備上電工作時,默認進入1小時定時模式。用戶只需短按一下按鍵,即可依次切換到2小時、3小時和4小時定時模式。再次短按按鍵后,將返回1小時定時模式,形成循環。這種設計使得用戶可以根據實際需求輕松調整定時時間。
在指示燈方面,每個定時模式都對應一顆LED指示燈。在定時過程中,指示燈常亮;定時結束后,指示燈以1HZ的頻率閃爍,提醒用戶定時已完成。此外,當定時結束后,再次觸發按鍵將記憶當前定時模式并開始再次計時。這一功能極大地提升了用戶體驗,避免了頻繁設置定時時間的麻煩。
值得一提的是,該芯片還支持長按3秒關機功能。在待機模式下,短按按鍵即可開機并記憶關機前的定時模式。這種設計不僅節省了電能,還方便了用戶的操作。
電氣參數:
在電氣參數方面,EC19072301-V05-28AE按鍵定時開關芯片表現出色。其工作電壓范圍為2.2V-5V,這意味著它可以在多種電壓條件下穩定工作。同時,工作電流僅為0.5mA,靜態電流更是低至5uA,這大大降低了設備的功耗。
在驅動電流方面,該芯片的低電平輸出驅動電流為14mA,高電平輸出驅動電流為6mA。這一參數確保了芯片在驅動負載時具有足夠的穩定性和可靠性。
應用優勢與使用方法:
EC19072301-V05-28AE按鍵定時開關芯片在實際應用中展現出了諸多優勢。首先,其四檔按鍵循環定時方案為用戶提供了極大的便利,使得用戶可以根據實際需求輕松調整定時時間。其次,該芯片支持長按3秒關機和短按開機記憶功能,進一步提升了用戶體驗。此外,其低功耗、高穩定性和可靠性也使得該芯片在消費類電子產品中具有廣泛的應用前景。
在使用方面,用戶只需將芯片與電源、負載以及指示燈等元件正確連接即可。在連接時,請注意確保電源電壓在芯片的工作電壓范圍內,并避免短路等異常情況的發生。同時,為了延長芯片的使用壽命和確保設備的穩定運行,建議用戶在使用過程中避免頻繁開關機和過度負載等操作。
在具體應用中,以寵物用品為例,該芯片可以應用于寵物喂食器、寵物飲水機等產品中。通過設定合適的定時時間,可以確保寵物在需要時獲得足夠的食物和水。此外,在小風扇等消費類電子產品中,該芯片也可以實現風扇的定時切換功能,為用戶提供更加舒適的使用體驗。
綜上所述,EC19072301-V05-28AE按鍵定時開關芯片以其獨特的功能特性和電氣性能在市場中具有廣泛的應用前景。其四檔按鍵循環定時方案、長按3秒關機和短按開機記憶功能等設計為用戶提供了極大的便利。同時,該芯片的低功耗、高穩定性和可靠性也使得其在消費類電子產品中具有廣泛的應用價值。
在實際應用中,用戶只需將芯片與電源、負載以及指示燈等元件正確連接即可實現定時開關功能。通過設定合適的定時時間,可以確保設備在需要時自動開啟或關閉,從而為用戶帶來更加便捷和舒適的使用體驗。
隨著消費類電子產品的不斷發展和普及,EC19072301-V05-28AE按鍵定時開關芯片的市場需求也將不斷增長。未來,隨著技術的不斷進步和創新,該芯片的功能和性能也將得到進一步提升和完善,為用戶提供更加優質和高效的服務。
總之,EC19072301-V05-28AE按鍵定時開關芯片是一款功能強大、性能穩定、使用方便的定時開關解決方案。它在小風扇定時切換、寵物用品等消費類電子產品中具有廣泛的應用前景和巨大的市場潛力。相信在未來的發展中,該芯片將為用戶帶來更加便捷和舒適的使用體驗。

電位器調光板,旋鈕調光控制板
雙色溫臺燈線路板
循環定時蠟燭芯片,8小時開16小時關
電話咨詢
產品中心
聯系麗晶微
網站地圖