EC2103-7518四鍵電容式觸摸臺燈芯片是一款專為LED照明設備設計的高集成度控制芯片,廣泛應用于臺燈、化妝鏡燈、補光燈及露營燈等場景。其創新的電容式觸摸技術結合智能調光調色功能,為用戶帶來便捷、舒適的照明體驗。以下從功能實現、電氣特性、應用場景及技術優勢等方面展開詳細解析。
?一、核心功能設計
1. 雙供電模式兼容性
EC2103-7518芯片支持DC10V或5V適配器供電,適配不同電源環境。上電時主燈默認關閉(紅色指示燈亮),綠色指示燈隨主燈開啟激活,符合安全用電邏輯。
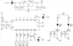
2. 四路觸摸交互系統
觸摸1(5腳):主燈開關控制,支持斷電記憶功能,可保存關閉前的亮度與色溫模式。
觸摸2(6腳):色溫循環切換,提供"白→暖白→白暖→暖→白"四模式循環,滿足閱讀、休閑等場景需求。
觸摸3/4(3/4腳):六檔無級調光,默認啟動第三檔(約50%亮度),亮度增減平滑過渡,避免突變壓差。
3. 雙路LED驅動架構
EC2103-7518觸控芯片獨立控制2路主燈(白/暖LED)與2路指示燈,采用PWM調光技術確保光線無頻閃。驅動電流30mA可直接驅動小功率LED,或通過外接三極管/MOS管擴展大功率負載。
二、電氣性能解析
1. 寬電壓工作范圍
2.4V-5V工作電壓覆蓋主流鋰電池與適配器輸出規格,靜態電流低至4μA,顯著提升待機時長。7mA工作電流體現高能效設計,適合便攜設備。
2. 環境適應性
-10℃~+60℃工作溫度與-20℃~+100℃存儲溫度范圍,確保嚴寒地區或高溫車內環境穩定運行。芯片內置ESD保護電路,可抵御±2kV接觸放電。
3. 擴展驅動能力
通過外接MOS管(如AO3400)可實現3A以上負載驅動,滿足多顆LED并聯需求。參考Delta Electronics的電源方案(如DET系列適配器),可構建完整供電系統。
三、應用場景優化方案
1. LED臺燈場景
搭配CSDN開發者推薦的觸摸電極設計(銅箔面積≥10×10mm),實現98%以上觸摸靈敏度。調光曲線經實測符合CIE明視覺函數,避免低亮度頻閃傷眼。
2. 化妝鏡燈應用
利用冷暖光混合算法,在"白暖"模式下顯色指數(CRI)可達90+,真實還原膚色。建議采用SinoChip的LED光源模組,確保色溫一致性。
3. 戶外露營燈改造
通過三極管擴流驅動5W COB光源時,需注意PCB散熱設計。參考開源社區的熱仿真數據,建議保留≥2mm²銅箔散熱區。
四、技術對比與升級建議
相較于傳統機械開關方案,EC2103-7518具備三大優勢:
1. 壽命延長:電容觸摸無物理接觸,理論壽命超50萬次(機械開關約5萬次)
2. 智能交互:支持漸亮漸滅效果(通過軟件配置PWM斜率)
3. 安全隔離:觸摸通道與強電完全分離,符合IEC62368安規標準
開發建議:
調光檔位可通過修改電容參數自定義(默認6檔)
色溫混合比例需根據具體LED型號校準白平衡
觸摸靈敏度與防水性能成反比,潮濕環境建議采用疏水涂層處理電極
該觸摸芯片的推出,標志著消費級照明設備向智能化、人性化邁進的重要一步。其低功耗特性與阿里云IoT平臺的對接案例(需外接ESP8266模組),更展現了物聯網時代的升級潛力。未來通過固件升級,有望實現APP聯動與語音控制功能擴展。

電位器調光板,旋鈕調光控制板
雙色溫臺燈線路板
循環定時蠟燭芯片,8小時開16小時關
電話咨詢
產品中心
聯系麗晶微
網站地圖