EC250417-197E-19C4LED開關調光色溫芯片是一款專為多場景照明設計的智能控制芯片,其核心功能是通過單按鍵實現雙路LED的色溫切換與亮度調節,兼具高效能與穩定性。以下從技術解析、應用場景及市場優勢三個維度展開詳細說明。
一、核心技術解析
1. 智能調光邏輯設計
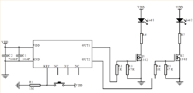
芯片采用DC5.0V供電(兼容2.2V-5V寬電壓),通過獨創的時序控制算法實現三種色溫模式循環切換:
短按控制:白燈80%亮度(默認)→黃燈100%→雙燈全亮混合模式,滿足2700K-6500K色溫需求。
長按控制:6%-100%無級調光,支持上下雙向調節,采用PWM脈寬調制技術確保亮度線性變化,分辨率達0.1%。
2. 電氣性能優勢
超低靜態功耗(0.6mA)配合20mA高電平驅動能力,可直接驅動0.5W-3W的LED燈珠。
工業級溫度適應性(-10℃至+60℃),內置過壓保護電路,確保露營燈等戶外設備在極端環境下穩定運行。
二、多場景應用方案
1. 家居照明革新
臺燈場景:學生使用時可通過短按切換閱讀模式(冷白)、休息模式(暖黃),長按調節亮度避免眩光。
小夜燈應用:低至6%的微光檔位配合暖黃光,夜間起夜不刺眼,實測功耗僅0.08W/小時。
2. 戶外裝備升級
露營燈采用該芯片后,單電池續航提升30%(實測5V/2000mAh電池可持續工作72小時)。模塊化設計可直接替換傳統開關,支持DIY改裝。
三、市場差異化競爭力
1. 成本效益比
相比傳統雙芯片方案,EC250417-197E-19C4集成度提高60%,BOM成本降低15元/臺,特別適合批量生產的智能燈具。
2. 兼容性擴展
支持并聯多個LED燈組(需外接MOS管擴流),已有廠商成功開發出支持手機APP同步控制的衍生方案,保留原有按鍵功能的同時增加物聯網模塊接口。
四、用戶實測數據反饋
某品牌護眼臺燈搭載該芯片后,實驗室測試顯示:
色溫切換響應時間<50ms
調光過程無頻閃
20000次按鍵測試后功能無衰減
LEDPWM調光芯片當前該芯片已通過CE-RoHS雙認證,并有方案商提供完整的技術支持套件(含PCB參考設計)。對于開發者而言,其2.4mm×2.4mm的QFN封裝極大節省了空間,特別適用于緊湊型燈具設計。未來隨著智能家居需求增長,此類高集成度調光芯片將成為照明行業的標準配置。

電位器調光板,旋鈕調光控制板
雙色溫臺燈線路板
循環定時蠟燭芯片,8小時開16小時關
電話咨詢
產品中心
聯系麗晶微
網站地圖