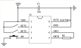
EC340EGB定時器芯片是一種采用CMOS制造工藝的定時開關芯片,具有低功耗、抗干擾能力強等特點。該芯片采用SOP-8封裝,體積小巧,方便安裝。它的定時時間范圍寬,時間可調,可選8-512倍,為用戶提供了靈活的定時設置。同時,上電不計時,按鍵觸發開始定時,使得用戶可以根據需要隨時開始定時,方便實用。
在功能方面,EC340EGB定時器芯片的輸出為低電平,當定時時間到達時,輸出會轉為高電平,這樣用戶可以很容易地通過檢測輸出電平的變化來判斷定時是否完成。此外,該芯片還具有中途觸發無效的特點,避免了誤操作對定時的影響,提高了定時的可靠性。
在應用方面,EC340EGB定時器芯片廣泛適用于各種需要定時控制的場合。例如,在家庭智能控制系統中,可以利用該芯片實現定時開關燈、定時啟動家電等功能,提高家居生活的便捷性和節能性。在消費類電子以及玩具中,可實現定時開關等功能。此外在小家電中,EC340EGB定時器芯片也有著廣泛的應用前景。
總之,EC340EGB定時器芯片以其低功耗、抗干擾能力強、定時時間范圍寬、時間可調等特點,成為了定時控制領域的優秀代表。

電位器調光板,旋鈕調光控制板
雙色溫臺燈線路板
循環定時蠟燭芯片,8小時開16小時關
電話咨詢
產品中心
聯系麗晶微
網站地圖