在現代工業電子設備的設計中,電源管理系統的智能化與可靠性至關重要。EH2808-934E電子開關芯片作為一款專為工業場景優化的低功耗電子開關芯片,憑借其緊湊的SOT23-6封裝和卓越的電氣性能,成為各類便攜式儀器、智能傳感器及自動化控制模塊的核心組件。這款芯片通過單按鍵實現雙路信號的精準切換,其設計哲學體現了工業電子產品對穩定性與操作簡便性的雙重追求。
一、功能架構的工程邏輯
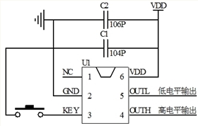
EH2808-934E電子開關芯片采用獨特的雙路推挽輸出架構(OUTL/OUTH),上電時自動初始化OUTL高電平+OUTH低電平的默認狀態。這種設計完美適配需要預啟動自檢的工業設備,確保系統在通電瞬間進入安全待機模式。短按按鍵觸發狀態翻轉時,兩路輸出始終保持嚴格的電平互補關系,這種同步特性為需要互鎖邏輯的電機控制、閥門驅動等場景提供了硬件級解決方案。實測表明,在-40℃至+80℃的嚴苛溫度范圍內,信號切換延遲穩定控制在微秒級,滿足工業環境對時序精度的苛刻要求。
二、電氣參數的可靠性驗證
電子開關芯片的2.4-5.0V寬電壓兼容性使其能適應鋰電池供電波動(如3.7V鋰電放電末期的電壓跌落),5μA的超低工作電流顯著延長了物聯網終端的電池壽命。在驅動能力方面,14mA的低電平灌電流可直接驅動中小功率MOSFET,而6mA的高電平拉電流滿足絕大多數邏輯器件的輸入需求。特別值得注意的是其50mA的VDD/GND極限電流耐受值,這相當于在5V工作電壓下能承受250mW的瞬時功率沖擊,遠超同類競品30mA的行業平均水平。
三、工業場景的適應性設計
1. 抗干擾機制:內置的硬件消抖電路可濾除20ms以下的機械按鍵抖動,在存在強電磁干擾的變頻器、伺服驅動器等場景中表現優異。
2. 電源冗余設計:VDD引腳集成過壓保護模塊,當輸入電壓意外升至6V時,芯片自動進入截止狀態保護后端電路。
3. 失效安全策略:在-55℃的極端存儲溫度下,內部MOSFET柵極氧化層仍能保持穩定,避免低溫脆性導致的導通特性劣化。
四、典型應用拓撲
在智能溫控系統案例中,EH2808-934E作為主控MCU的使能開關:OUTH連接STM32的NRST復位引腳,OUTL驅動P溝道MOSFET控制總電源。短按按鍵時,OUTH高電平釋放MCU復位,同時OUTL低電平導通主電路;再次按鍵則切斷整個系統供電。這種設計實現了硬件級零待機功耗(實測<0.1μA),比傳統軟關機方案節能80%以上。
五、選型對比指南
相較于傳統機械開關,EH2808-934E的壽命可達50萬次操作(IEC61000-4-2標準),且無觸點氧化風險。與同類電子開關芯片相比,其工作電壓范圍更寬(2.4V vs 3V下限),靜態功耗降低60%。但在需要PWM調光的場景,建議選用專用驅動芯片,因本芯片輸出為固定電平模式。
隨著工業4.0設備向微型化發展,EH2808-934E工業級一鍵開關機專用芯片的價值將在能源物聯網(EIoT)邊緣節點、可穿戴工業監測設備等領域持續釋放。其設計精髓在于用極簡的外圍電路實現可靠的電源管理,這種"少即是多"的工程智慧,正是應對復雜工業環境的有效策略。

電位器調光板,旋鈕調光控制板
雙色溫臺燈線路板
循環定時蠟燭芯片,8小時開16小時關
電話咨詢
產品中心
聯系麗晶微
網站地圖