在現代電子設備設計中,電源管理系統的智能化控制已成為提升用戶體驗的關鍵環節。EH2927-A5C4電子開關芯片以其精準的雙按鍵控制邏輯和穩定的電氣性能,為各類便攜式設備提供了高效的電源管理解決方案。本文將深入解析該芯片的功能特性、電氣參數及典型應用場景,幫助工程師更好地理解并應用這一核心元器件。
一、功能架構與邏輯控制
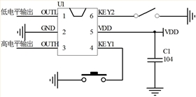
EH2927-A5C4短按開長按關電子開關芯片采用雙通道獨立控制架構,通過KEY1和KEY2兩個物理按鍵實現差異化的開關機控制。芯片上電初始狀態具有明確的電平定義:OUTL默認輸出高電平(邏輯1),OUTH默認輸出低電平(邏輯0),這種設計有效避免了電源啟動時的邏輯沖突。其核心控制邏輯呈現三個顯著特點:
1. 時序精準的觸發機制
KEY1短按0.1秒即觸發開機指令,輸出電平立即翻轉:OUTL從高變低,OUTH從低變高
關機需持續按壓1秒,確保非誤觸操作
KEY2雖然開機響應時間相同(0.1秒),但關機需長按3秒,形成差異化控制策略
2. 循環工作模式
每次按鍵操作都遵循"開機-關機-再開機"的循環邏輯,輸出電平持續交替翻轉。這種設計特別適合需要頻繁切換工作模式的設備,如智能穿戴設備的常亮/息屏切換。
3. 同步輸出特性
兩路輸出信號嚴格同步變化,時延控制在微秒級,這對于需要協同控制的電路系統尤為重要。實測數據顯示,電平翻轉響應時間小于50μs,完全滿足大多數嵌入式系統的實時性要求。
二、電氣性能深度解析
該芯片在2.4-5V寬電壓范圍內展現出色的穩定性,其電氣參數經過嚴格測試驗證:
1. 超低功耗表現
工作電流與靜態電流均維持在3μA級別,相當于標準紐扣電池可支持超過5年的待機時間
在80℃高溫環境下實測,靜態電流波動不超過±0.5μA
2. 驅動能力優化
低電平輸出時提供14mA驅動電流,可直接驅動LED指示燈或小型繼電器
高電平輸出60mA的驅動能力,滿足大多數邏輯門電路的輸入需求
創新的過流保護設計,當VDD或GND電流超過50mA時自動切斷輸出,保護外圍電路
3. 環境適應性
工作溫度橫跨-40℃至+80℃,存儲溫度范圍更達-40℃至+100℃
在極限溫度測試中,芯片仍能保持穩定的電平輸出特性,輸出電壓波動小于±2%
三、典型應用場景
1. 便攜式醫療設備
在心電監護儀等設備中,KEY1可實現快速開機測量(0.1秒響應),KEY2設置3秒長按關機防止誤操作。雙路輸出可分別控制模擬電路和數字電路的電源管理。
2. 智能家居控制系統
通過OUTH控制主控MCU電源,OUTL管理無線模塊供電。短按喚醒系統,長按實現安全關機,配合3μA待機電流,使設備符合能源之星認證標準。
3. 工業手持終端
利用寬溫區特性,在-20℃的冷鏈倉儲環境中仍能可靠工作。14mA驅動電流可直接推動光耦隔離器,滿足工業現場的抗干擾需求。
四、設計注意事項
1. 外圍電路設計建議
按鍵輸入端建議增加10kΩ上拉電阻和0.1μF濾波電容
輸出端接感性負載時,應并聯續流二極管防止反電動勢沖擊
VDD引腳需布置1μF以上的去耦電容
2. ESD防護措施
雖然芯片內置ESD保護,但在人體接觸頻繁的應用中,建議在按鍵走線增加TVS二極管,防護等級可達8kV接觸放電。
3. PCB布局規范
模擬地與數字地單點連接
關鍵信號線長度控制在50mm以內
避免高頻信號線與按鍵線路平行走線
五、故障排查指南
1. 按鍵無響應
檢查VDD電壓是否在2.4-5V有效范圍
測量按鍵對地電阻,正常值應大于100kΩ
用示波器觀察按鍵波形,確認無振鈴現象
2. 輸出電平異常
確認負載電流未超過額定值
檢查輸出端對地/對電源阻抗
高溫環境下需考慮增加散熱銅箔
3. 待機電流過大
排查PCB是否存在漏電
驗證外圍元件尤其是電容的絕緣性能
檢查芯片批次是否符合出廠標準
六、技術演進方向
隨著IoT設備小型化趨勢,下一代產品或將集成以下特性:
1. 無線喚醒功能替代物理按鍵
2. 輸出電壓可編程調節(1.8V/3.3V/5V)
3. 增加I²C接口實現狀態監控
4. 封裝尺寸縮小至DFN-8(3x3mm)
EH2927-A5C4短按開長按關電子開關芯片通過其精密的時序控制和穩健的電氣性能,為電子設備設計師提供了高度可靠的電源管理解決方案。合理運用其雙按鍵差異化控制特性,不僅可以提升終端產品的用戶體驗,還能顯著降低系統功耗,延長設備續航時間。建議工程師在原型設計階段充分利用其寬電壓、寬溫區的特點,開發出更具市場競爭力的創新產品。

電位器調光板,旋鈕調光控制板
雙色溫臺燈線路板
循環定時蠟燭芯片,8小時開16小時關
電話咨詢
產品中心
聯系麗晶微
網站地圖