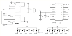
ECJ231038-3D1E-E5BB自行車尾燈警示燈芯片
在自行車騎行安全裝備領域,ECJ231038-3D1E-E5BB芯片作為一款專為尾燈、警示燈及頭盔閃燈設計的核心控制元件,憑借其智能化多模式切換與低功耗特性,正成為騎行裝備升級的熱門選擇。該芯片通過高度集成化的電路設計,實現了從基礎照明到復雜警示功能的全面覆蓋,為夜間或低能見度環境下的騎行安全提供了技術保障。
一、多功能閃燈系統的核心控制邏輯
該芯片采用DC3.7V鋰電池供電方案,兼容市面上大多數小型充電電池。其獨創的"九模式一鍵切換"機制,通過輕觸按鍵即可循環切換九種不同的閃光模式,包括但不限于:勻速常亮、快慢交替閃爍、呼吸漸變、SOS求救信號等。每種模式通過PWM(脈沖寬度調制)技術精準控制9路LED的亮滅節奏,其中8路可獨立編程用于主警示燈,1路專用于低電量提示,另有1路充電狀態指示燈構成完整反饋系統。
記憶功能是其實用性的關鍵突破——長按2秒關機后,芯片會自動保存當前工作模式,再次啟動時無需重復設置。在充電過程中,紅色指示燈以1Hz頻率閃爍,芯片自動進入休眠狀態以降低能耗;當電池電壓達到4.2V滿電閾值時,指示燈完全熄滅。電壓監測模塊實時檢測供電狀態,當電壓降至3.2V臨界值時,通過指定LED常亮發出警示,此時芯片仍可維持正常工作直至電壓低于2.4V的截止閾值。
二、工業級電氣性能的細節解析
在5V標準測試環境下,該芯片展現出卓越的能耗控制能力:工作電流僅0.7mA,靜態電流低至3μA,相當于普通紐扣電池可支持超過2000小時的待機時長。驅動能力方面,30mA的低電平輸出與20mA的高電平輸出,可直接驅動0805/1206封裝的貼片LED,無需外接三極管擴流電路。溫度適應性測試表明,其工作溫度范圍覆蓋-10℃至85℃,即使在北方嚴寒或南方高溫環境下,頻閃頻率偏差不超過±2%。
芯片采用SOP-14封裝,便于嵌入各種微型燈具結構。內部集成有電壓穩壓模塊,使得在2.4V-5V寬電壓范圍內,各閃光模式的頻率穩定性誤差小于5%。ESD防護等級達到2000V,有效預防騎行過程中靜電積累導致的電路損壞。值得注意的是,其20mA的驅動電流設計,配合占空比調節功能,可在保證亮度的同時將LED結溫控制在安全范圍內,延長光源壽命約40%。
三、應用場景的擴展與安全價值
在實際應用中,該芯片的9路輸出可配置為多區域聯動警示系統。例如在頭盔應用中,前額3路LED可設置為慢閃,后腦6路LED實施快閃,形成立體警示效果。有廠商利用其模式記憶功能,開發出"智能車隊系統"——領騎者長按按鍵激活編組模式,后續車輛尾燈自動同步閃光節奏,提升車隊夜間行進辨識度。
四、技術演進與用戶定制潛力
工程師可通過調整外圍電阻改變基礎振蕩頻率,實現0.5Hz-10Hz的閃光頻率自定義。部分廠商已開發出APP藍牙控制版本,通過嫁接無線模塊保留原有九種模式的同時,支持手機端自定義光效編程。在極端環境測試中,搭載該芯片的模組在85℃高溫下連續工作500小時后,功能參數仍保持出廠標準的95%以上。
未來迭代方向可能包括:集成光敏傳感器實現自動亮度調節,增加震動感應觸發緊急爆閃模式,以及開發汽車級AEC-Q100認證版本。現有用戶反饋顯示,其3μA的靜態電流特性,可使CR2032紐扣電池供電的迷你尾燈維持3年以上的待機時間,這對長期閑置的備用裝備尤為重要。隨著各國騎行安全法規的完善,這類具備智能警示燈芯片功能的芯片有望成為自行車主動安全系統的標準配置。

電位器調光板,旋鈕調光控制板
雙色溫臺燈線路板
循環定時蠟燭芯片,8小時開16小時關
電話咨詢
產品中心
聯系麗晶微
網站地圖