EH211114-3C01-BED7 10/15秒定時器芯片
一.功能說明
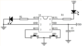
兩路按鍵輸入控制,兩路電平信號同步輸出:一路OUTH高電平輸出、一路OUTL低電平輸出,(可二選一)。
上電不工作,OUTH為低電平,OUTL為高電平,短按按鍵開始計時OUTH輸出高電平、OUTL輸出低電平,計時結束電平信號翻轉。中途觸發停止計時輸出信號翻轉。
KEY1:短按開啟25秒定時。
KEY2:短按開啟10秒定時。
二.電氣參數(VDD=5.0V TA=25℃)
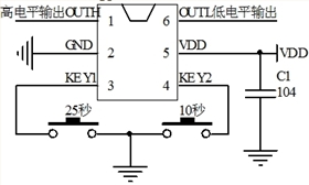
三.封裝腳位圖(SOT23-6)
四.參考電路圖
主控推LED應用圖
五.封裝尺寸圖(SOT23-6)
六.版本說明


電話咨詢
產品中心
聯系麗晶微
網站地圖