265F-BED740秒定時芯片
一、功能說明
供電方式:1.5V*3顆AG13電池串聯供電,供電電壓2.7~4.5V。一路按鍵輸入控制,一路LED輸出。
上電不工作,觸發按鍵開始40秒定時工作,40秒后停止。中途觸發有效,重新開始計時。
二、電氣參數(VDD=5.0V TA=25℃)
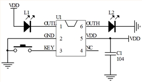
三、封裝腳位圖(SOT23-6)

五、封裝尺寸圖(SOT23-6)
六、版本說明
265F-BED740秒定時芯片
一、功能說明
供電方式:1.5V*3顆AG13電池串聯供電,供電電壓2.7~4.5V。一路按鍵輸入控制,一路LED輸出。
上電不工作,觸發按鍵開始40秒定時工作,40秒后停止。中途觸發有效,重新開始計時。
二、電氣參數(VDD=5.0V TA=25℃)
三、封裝腳位圖(SOT23-6)
五、封裝尺寸圖(SOT23-6)
六、版本說明