EH211020-9E88-569E超低功耗電子開關芯片
專門低功耗設計,待機和工作電流極低,三路按鍵輸入控制兩路電平信號輸出,上電不工作(可選工作),OUTL為高電平,OUTH為低電平。
KEY1鍵:長按1秒鍵。
長按1秒開機OUTL輸出低電平,OUTH輸出高電平,再長按1秒電平翻轉(關機)。
KEY2鍵:長按2秒鍵
長按2秒開機OUTL輸出低電平,OUTH輸出高電平,再長按1秒電平翻轉(關機)。
KEY3鍵:長按3秒鍵
長按3秒開機OUTL輸出低電平,OUTH輸出高電平,再長按1秒電平翻轉(關機)。
二、極限參數(VDD=3.0V TA=25℃)
三、電氣參數(VDD=3.0V TA=25℃)
四、封裝腳位圖
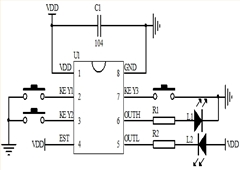
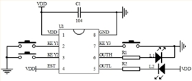
五、電路圖參考
接LED應用圖
七、版本說明


低功耗一鍵開關機芯片
電話咨詢
產品中心
聯系麗晶微
網站地圖