-
一、功能說明:
EC360A-02燈串定時芯片:是可設定時間為
8小時ON~ 16小時OFF(K8接VSS)
6小時ON~ 18小時OFF(K6接VSS)
5小時ON~ 19小時OFF(K5接VSS)
4小時ON~ 20小時OFF(K4接VSS)
無定時一直工作(K0接VSS)
24小時循環工作的專用定時 IC。
(說明:例如:8小時ON~ 16小時OFF。就是上電工作8小時后,進入待機狀態,待機16小時后,再工作8小時…,如此24小時循環工作.注意K0,K4,K5,K6,K8選擇腳接VSS定時方式只能選擇其中一個,但時間可以相互轉換),32.768KHZ晶振振蕩,觸發方式 上電一直工作,(ON/OFF),6個輸出腳 L1, L2 ,L3,是順閃輸出(1HZ)L4,L5,L6是三燈漸明漸暗輸出。K2是ON/OFF模式選擇腳,懸空是正常的上電定時工作模式,接VSS是ON/OFF功能,長按KEY(ON/OFF)鍵可以進入定時工作。K8-K0為定時時間選擇,接VSS時選擇時間如下:K2懸空的情況下是定時模式:
當K8接VSS時,為8小時ON.....16小時OFF.....;如此循環。
當K6接VSS時,為6小時ON.....18小時OFF.....;
當K5接VSS時,為5小時ON.....19小時OFF.....;
當K4接VSS時,為4小時ON.....20小時OFF.....;
當K0接VSS時,為24小時ON.....0小時OFF.....;
KEY觸發方式 :ON/OFF (只在K2接VSS情況下有效,K2懸空是正常的定時模式KEY是ON/OFF功能,上電不工作,觸發工作,如果工作過程中觸發KEY鍵,IC會停止工作,除非再次觸發KEY才會重新工作.此時長按KEY3秒進入定時狀態。
快速測試
當TIME接VSS時,進入快速測試模式,工作方式是1小時閃一次,閃N次后停止,會再閃N次,如此循環。
有關開關使用說明:定時時間可以選用單排3檔開關選擇,同時有2個定時狀態可供選擇,開關中間PIN接GND。
正常工作模式:當開關置于所選擇二檔定時中一檔時,上電工作;如果開關置于中間時,上電不工作。工作過程中,開關可以改變工作狀態:工作和不工作。
在上電的情況中,當改變定時選擇端時,重新計時。
ON/OFF工作模式:開關置于中間時,IC不工作,ON/OFF鍵無效。當開關置于所選擇二檔定時中一檔時,上電不工作,ON/OFF按鍵后進入ON/OFF工作模式,ON/OFF鍵長按3秒后,進入定時工作模式,再按一下ON/OFF鍵可以關掉IC。在進入定時工作模式后,若改變了所選擇的定時檔,IC整體復位,等待ON/OFF鍵按鍵后工作。
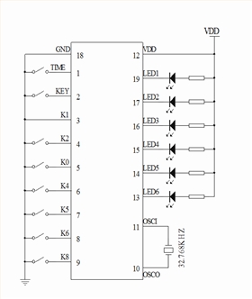
二、腳位說明:
三.電氣特性 :
四、參考電路圖:
注:1,因LED腳輸出電流較大,請根據實際情況加限流電阻
2, ON/OFF 開關只可以在ON/OFF狀態下使用,不可在快速測試模式下使用。
3,請嚴格按電路應用說明中使用包括外圍電路元件。


循環定時亮閃滅燈串IC
電話咨詢
產品中心
聯系麗晶微
網站地圖