EC180309-25D5-19E7 單鍵換段芯片
一.功能說明
供電方式:DC5-12V適配器,通過LDO穩壓到3.3V。一路按鍵輸入控制,兩路LED輸出。
上電不工作,短按KEY鍵,LED輸出,默認亮度100%。
KEY鍵:燈光模式轉換,按第1下,L1冷白燈亮。
按第2下,L2暖白燈亮。
按第3下,L1+L2冷白+暖白燈亮。
按第4下,滅,依次循環。
二.電氣參數(VDD=3.0V TA=25℃)
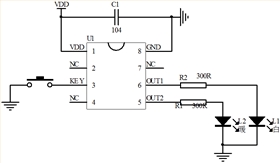
三.封裝腳位圖(SOP-8)
四.電路圖參考
主控電路
注:R1 R2電阻阻值僅供參考,請按實際需要電流調整
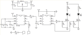
觸摸電路
注:R8 R9電阻阻值僅供參考,請按實際需要電流調整
C3 C2觸摸靈敏度電容(玻璃厚度1.8MM)僅供參考,請按實際需要調整
五.封裝尺寸圖(SOP-8)
六.版本說明
深圳市麗晶微電子科技有限公司,專注于輕觸開關手電筒IC,按鍵雙通道開關芯片,手電筒開關IC,按鍵切換三路輸出開關芯片,單片機開關芯片方案開發,咨詢熱線:0755-29100085

電話咨詢
產品中心
聯系麗晶微
網站地圖