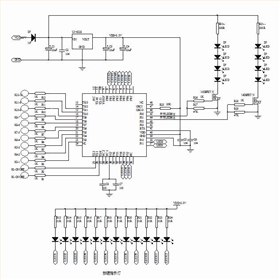
10檔調光電路板
1.輸入電壓DC=12V。
2.兩路LED輸出,一路冷白色LED*100PCS,一路暖白色LED*100PCS。LED規格3014,交替排放。
3.無亮度記憶功能,OFF后兩路LED每次打開初始工作亮度都是100%,以漸亮的方式打開,亮
度共分為10檔可滑動調暗調亮,10檔從高到低依次分別是:(100%、89%、78%、67%、56%、
45%、34%、23%、12%、2%)。
4.兩個ON/OFF按鍵設為KEY1和KEY2,調光鍵設為KEY3-KEY12,每個按鍵都有對應的工作指示燈
L1-L12,當ON/OFF按鍵工作時對應的L1或L2指示燈亮,不工作時指示燈滅。當調光鍵KEY10
工作時,L3-L10工作,其余不工作,以次類推。
5.KEY1控制冷白色LED,上電LED不工作,觸摸一下按鍵KEY1,冷白色LED亮,再觸摸一下LED滅,
循環。LED工作時觸摸滑動KEY3-KEY12,可以調亮調暗。
6.KEY2控制暖白色LED,上電LED不工作,觸摸一下按鍵KEY2,暖白色LED亮,再觸摸一下LED滅,
循環。LED工作時觸摸滑動KEY3-KEY12,可以調亮調暗。
7.KEY1和KEY2按鍵可切換工作模式,但兩種模式不能同時工作,即當一路LED工作時另一路LED
不能工作。
深圳市麗晶微電子科技,15年來,專注于定時IC,定時芯片,觸摸IC芯片和小家電類產品
IC芯片的方案定制。公司開發的循環定時芯片大量應用于電子蠟燭燈產品,開發的多款觸摸開
關電路板,觸摸調光電路板,觸摸臺燈PCBA,被客戶廣泛用于觸摸臺燈和觸摸LED化妝鏡的生產
中。咨詢電話:0755-29100085。

電位器調光板,旋鈕調光控制板
雙色溫臺燈線路板
循環定時蠟燭芯片,8小時開16小時關
電話咨詢
產品中心
聯系麗晶微
網站地圖