220V阻容降壓的工作原理:
電容降壓的工作原理并不復雜。它的工作原理是利用電容在一定的交流信號頻率下產生的容抗來限制最大工作電流。
例子1
在50Hz的工頻條件下,一個1uF的電容所產生的容抗約為3180歐姆。當220V的交流電壓加在電容器的兩端,則流過電容的最大電流約為70mA。雖然流過電容的電流有70mA,但在電容器上并不產生功耗,因為如果電容是一個理想電容,則流過電容的電流為虛部電流,它所作的功為無功功率。
根據這個特點,我們如果在一個1uF的電容器上再串聯一個阻性元件,則阻性元件兩端所得到的電壓和它所產生的功耗完全取決于這個阻性元件的特性。
例子2
我們將一個110V/8W的燈泡與一個1uF的電容串聯,在接到220V/50Hz的交流電壓上,燈泡被點亮,發出正常的亮度而不會被燒毀。因為110V/8W的燈泡所需的電流為8W/110V=72mA,它與1uF電容所產生的限流特性相吻合。
同理,我們也可以將5W/65V的燈泡與1uF電容串聯接到220V/50Hz的交流電上,燈泡同樣會被點亮,而不會被燒毀。因為5W/65V的燈泡的工作電流也約為70mA。
因此,電容降壓實際上是利用容抗限流。而電容器實際上起到一個限制電流和動態分配電容器和負載兩端電壓的角色。
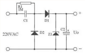
圖1為阻容降壓的典型應用,C1為降壓電容,R1為斷開電源時C1的泄放電阻,D1為半波整流二極管,D2在市電的負半周為C1提供放電回路,否則電容C1充滿電就不工作了,Z1為穩壓二極管,C2為濾波電容。輸出為穩壓二極管Z1的穩定電壓值。
圖1
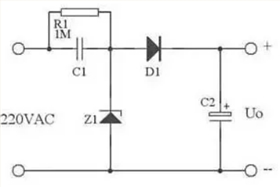
在實際應用中,可以用圖2代替圖1,這里用了Z1正向特性和反向特性,其反向特性(也就是其穩壓特性)來穩定電壓,其正向特性用來在市電負半周給C1提供放電回路。
圖2
在較大電流的應用中,可以用全波整流,如圖3所示。
圖3
在小電壓全波整流輸出時,最大輸出電流即為:
容抗?Xc=1/(2πfC)
電流 Ic=U/Xc=2πfCU
采用電容降壓時應注意以下幾點:
根據負載的電流大小和交流電的工作頻率選取適當的電容,而不是依據負載的電壓和功率。
限流電容必須采用無極性電容,絕對不能采用電解電容;而且電容的耐壓須在400V以上;最理想的電容為鐵殼油浸電容。
電容降壓不能用于大功率條件,因為不安全。
電容降壓不適合動態負載條件。
同樣,電容降壓不適合容性和感性負載。
當需要直流工作時,盡量采用半波整流。不建議采用橋式整流。而且要滿足恒定負載的條件。
深圳市麗晶微電子科技有限公司,專注于定時IC芯片,延時開關芯片,按鍵電子開關IC,小夜燈芯片方案,單片機芯片方案開發,咨詢熱線:0755-29100085
--出自面包板社區

電位器調光板,旋鈕調光控制板
雙色溫臺燈線路板
循環定時蠟燭芯片,8小時開16小時關
電話咨詢
產品中心
聯系麗晶微
網站地圖