單片機的內部結構是怎樣的?
一、單片機內部結構分析
我們來思考一個問題,當我們在編程器中把一條指令寫進單片機內部,然后取下單片機,單片機就可以執行這條指令,那么這條指令一定保存在單片機的某個地方,并且這個地方在單片機掉電后依然可以保持這條指令不會丟失,這是個什么地方呢?這個地方就是單片機內部的只讀存儲器即ROM(READ ONLY MEMORY)。為什么稱它為只讀存儲器呢?剛才我們不是明明把兩個數字寫進去了嗎?原來在89C51中的ROM是一種電可擦除的ROM,稱為FLASH ROM,剛才我們是用的編程器,在特殊的條件下由外部設備對ROM進行寫的操作,在單片機正常工作條件下,只能從那面讀,不能把數據寫進去,所以我們還是把它稱為ROM。
二、幾個基本概念
1、數的本質和物理現象
我們知道,計算機可以進行數學運算,這可令我們非常的難以理解,計算機嗎,我們雖不了解它的組成,但它總只是一些電子元器件,怎么可以進行數學運算呢?我們做數學題如37+45是這樣做的,先在紙上寫37,然后在下面寫45,然后大腦運算,最后寫出結果,運算的原材料:37、45和結果:82都是寫在紙上的,計算機中又是放在什么地方呢?為了解決這個問題,先讓我們做一個實驗:這里有一盞燈,我們知道燈要么亮,要么不亮,就有兩種狀態,我們可以用’0’和’1’來代替這兩種狀態,規定亮為’1’,不亮為’0’。現在放上兩盞燈,一共有幾種狀態呢?我們列表來看一下:
請大家自已寫上3盞燈的情況000 001 010 011 100 101 110 111我們來看,這個000,001,101 不就是我們學過的的二進制數嗎?本來,燈的亮和滅只是一種物理現象,可當我們把它們按一定的順序排更好后,燈的亮和滅就代表了數字了。讓我們再抽象一步,燈為什么會亮呢?看電路1,是因為輸出電路輸出高電平,給燈通了電。因此,燈亮和滅就可以用電路的輸出是高電平還是低電平來替代了。這樣,數字就和電平的高、低聯系上了。(請想一下,我們還看到過什么樣的類似的例子呢?(海軍之)燈語、旗語,電報,甚至紅、綠燈)
2、位的含義
通過上面的實驗我們已經知道:一盞燈亮或者說一根線的電平的高低,可以代表兩種狀態:0和1。實際上這就是一個二進制位,因此我們就把一根線稱之為一“位”,用BIT表示。
3、字節的含義
一根線可以表于0和1,兩根線可以表達00,01,10,11四種狀態,也就是可以表于0到3,而三根可以表達0-7,計算機中通常用8根線放在一起,同時計數,就可以表過到0-255一共256種狀態。這8根線或者8位就稱之為一個字節(BYTE)。
三、存儲器的工作原理
1、存儲器構造
存儲器就是用來存放數據的地方。它是利用電平的高低來存放數據的,也就是說,它存放的實際上是電平的高、低,而不是我們所習慣認為的1234這樣的數字,這樣,我們的一個謎團就解開了,計算機也沒什么神秘的嗎。
如上圖左所示:一個存儲器就象一個個的小抽屜,一個小抽屜里有八個小格子,每個小格子就是用來存放“電荷”的,電荷通過與它相連的電線傳進來或釋放掉,至于電荷在小格子里是怎樣存的,就不用我們操心了,你可以把電線想象成水管,小格子里的電荷就象是水,那就好理解了。存儲器中的每個小抽屜就是一個放數據的地方,我們稱之為一個“單元”。
有了這么一個構造,我們就可以開始存放數據了,想要放進一個數據12,也就是00001100,我們只要把第二號和第三號小格子里存滿電荷,而其它小格子里的電荷給放掉就行了(看上圖右)。可是問題出來了,看上圖右,一個存儲器有好多單元,線是并聯的,在放入電荷的時候,會將電荷放入所有的單元中,而釋放電荷的時候,會把每個單元中的電荷都放掉,這樣的話,不管存儲器有多少個單元,都只能放同一個數,這當然不是我們所希望的,因此,要在結構上稍作變化,看上圖右,在每個單元上有個控制線,我想要把數據放進哪個單元,就給一個信號這個單元的控制線,這個控制線就把開關打開,這樣電荷就可以自由流動了,而其它單元控制線上沒有信號,所以開關不打開,不會受到影響,這樣,只要控制不同單元的控制線,就可以向各單元寫入不同的數據了,同樣,如果要某個單元中取數據,也只要打開相應的控制開關就行了。
2、存儲器譯碼
那么,我們怎樣來控制各個單元的控制線呢?這個還不簡單,把每個單元的控制線都引到集成電路的外面不就行了嗎?事情可沒那么簡單,一片27512存儲器中有65536個單元,把每根線都引出來,這個集成電路就得有6萬多個腳?不行,怎么辦?要想法減少線的數量。我們有一種方法稱這為譯碼,簡單介紹一下:一根線可以代表2種狀態,2根線可以代表4種狀態,3根線可以代表幾種,256種狀態又需要幾根線代表?8種,8根線,所以65536種狀態我們只需要16根線就可以代表了。
3、存儲器的選片及總線的概念
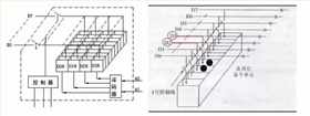
至此,譯碼的問題解決了,讓我們再來關注另外一個問題。送入每個單元的八根線是用從什么地方來的呢?它就是從計算機上接過來的,一般地,這八根線除了接一個存儲器之外,還要接其它的器件,如圖4所示。這樣問題就出來了,這八根線既然不是存儲器和計算機之間專用的,如果總是將某個單元接在這八根線上,就不好了,比如這個存儲器單元中的數值是0FFH另一個存儲器的單元是00H,那么這根線到底是處于高電平,還是低電平?豈非要打架看誰歷害了?所以我們要讓它們分離。辦法當然很簡單,當外面的線接到集成電路的引腳進來后,不直接接到各單元去,中間再加一組開關就行了。平時我們讓開關打開著,如果確實是要向這個存儲器中寫入數據,或要從存儲器中讀出數據,再讓開關接通就行了。這組開關由三根引線選擇:讀控制端、寫控制端和片選端。要將數據寫入片中,先選中該片,然后發出寫信號,開關就合上了,并將傳過來的數據(電荷)寫入片中。如果要讀,先選中該片,然后發出讀信號,開關合上,數據就被送出去了。讀和寫信號同時還接入到另一個存儲器,但是由于片選端不同,所以雖有讀或寫信號,但沒有片選信號,所以另一個存儲器不會“誤會”而開門,造成沖突。那么會不同時選中兩片芯片呢?只要是設計好的系統就不會,因為它是由計算控制的,而不是我們人來控制的,如果真的出現同時出現選中兩片的情況,那就是電路出了故障了,這不在我們的討論之列。
從上面的介紹中我們已經看到,用來傳遞數據的八根線并不是專用的,而是很多器件大家共用的,所以我們稱之為數據總線,總線英文名為BUS,總即公交車道,誰也可以走。而十六根地址線也是連在一起的,稱之為地址總線。
深圳市麗晶微電子科技有限公司,專注于單片機芯片方案開發,定時IC,電子開關芯片,LED小夜燈IC,延時開關芯片,燈串IC方案開發,咨詢熱線:0755-29100085

電位器調光板,旋鈕調光控制板
雙色溫臺燈線路板
循環定時蠟燭芯片,8小時開16小時關
電話咨詢
產品中心
聯系麗晶微
網站地圖