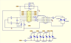
9EF1/CE29是一款6小時-18小時循環定時七彩閃燈IC芯片,工作電壓:2.6-5.5V,10路LED輸出,
2路閃爍輸出,8路模式指示燈,上電不工作。有兩個按鍵分別控制輸出模式和定時模式,K2是定時
按鍵,按第1下是不定時模式,按第2下定時亮6H/滅18H, 按第3下定時12H/滅12H,按第4下OFF,所有
燈滅。不同的定時模式下,對應的指示燈亮。
定時芯片的K1鍵是模式轉換按鍵,按下按鍵 MODE:啟動閃爍功能,共5段模式,每按一次對應的
一段模式LED燈閃爍,第5段模式為1-4段模式循環,功能如下:
第1段:LED固定不閃 (Steady On)
第2段:波浪式前進后退自動變化(二種速度變換) (In Waves)
第3段:跑馬式自動變化(四種速度變換) (Sequential)
第4段:四燈同時漸明漸暗自動變化(三種速度變換) (Slow Fade)
第5段:自動各段連續變化,即由第2段到第5段功能自動變化(即power on時) (Combination)

電位器調光板,旋鈕調光控制板
雙色溫臺燈線路板
循環定時蠟燭芯片,8小時開16小時關
電話咨詢
產品中心
聯系麗晶微
網站地圖