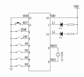
ECH1062-242C,5H-19H循環定時蠟燭IC芯片,24小時循環工作的專用定時IC,CMOS制造工
藝,睡眠低功耗,低于5uA。采用高電壓工藝,工作電壓范圍寬,抗干擾能力強,工作電壓
2.4V—6.8V。32.768KHZ 晶體振蕩,定時精準無誤差。多幾種定時模式可供選擇:
8小時ON~ 16小時OFF (H8接VSS)
6小時ON~ 18小時OFF (H6接VSS)
5小時ON~ 19小時OFF (H5接VSS)
4小時ON~ 20小時OFF (H4接VSS)
無定時一直工作 (H24接VSS)
兩路LED輸出,一路LED蠟燭閃,一路LED工作常亮。有定時快速測試功能,TIME接地是快
速測試模式,定時幾小時LED 閃幾下,閃爍頻率 2Hz。適用于各種定時類電子玩具,電子禮品
電子蠟燭燈等產品的專用定時芯片。

電位器調光板,旋鈕調光控制板
雙色溫臺燈線路板
循環定時蠟燭芯片,8小時開16小時關
電話咨詢
產品中心
聯系麗晶微
網站地圖