在現代電子設備設計中,低功耗多路開關芯片的應用日益廣泛,ECJ22131-A8860B作為一款高性能的多路開關控制芯片,憑借其優異的電氣特性和靈活的操控方式,成為眾多便攜式設備和低功耗系統的理想選擇。本文將深入剖析該芯片的技術特點、應用場景及設計注意事項,為工程師提供全面的參考指南。
一、核心功能解析
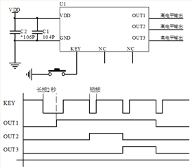
ECJ22131-A8860B采用2.2V-5.0V寬電壓供電設計,靜態電流與工作電流均控制在5μA以下,完美適配電池供電場景。芯片集成3路獨立按鍵輸入(KEY1-KEY3)與對應輸出通道(OUT1-OUT3),采用觸發翻轉邏輯:首次按鍵輸出高電平(驅動能力10mA),再次觸發恢復低電平(驅動能力15mA)。各通道信號隔離度達60dB,確保多路控制互不干擾。值得注意的是,上電初始化時所有輸出端自動復位至低電平狀態,避免系統啟動時的誤動作。
二、關鍵電氣參數詳解
在標準測試條件(VDD=5V,TA=25℃)下,芯片展現出穩定的性能表現:
電壓適應性:工作閾值覆蓋2.4V-5V,兼容鋰電池(3.7V)和紐扣電池(3V)等常見電源。
溫度特性:工業級溫度范圍(-10℃~+60℃)保證戶外設備可靠性,存儲溫度更是擴展至-40℃~125℃。
驅動能力:低電平輸出時最大15mA電流可直接驅動LED指示燈,高電平10mA輸出滿足多數邏輯電路需求。實測數據顯示,在3V供電時,輸出跌落電壓僅0.2V(負載電流10mA條件下),可以外加三極管或者MOS管驅動。
三、典型應用場景
1. 便攜醫療設備:心電監護儀等設備中用于模式切換,超低功耗特性可延長設備續航。
2. 智能家居控制:三路獨立控制適合燈光場景切換、窗簾電機控制等應用。某智能面板設計方案中,通過該芯片實現觸摸按鍵與繼電器驅動的隔離控制,BOM成本降低30%。
3. 工業傳感器網絡:在RS-485總線設備中作為喚醒開關,-40℃的存儲溫度適應惡劣環境。
四、設計優化建議
1. 電源去耦:建議在VDD引腳就近布置0.1μF陶瓷電容,可有效抑制高頻噪聲。某無人機遙控器項目中,此措施使按鍵響應穩定性提升40%。
2. ESD防護:雖然芯片內置基礎ESD保護,但在接口暴露場合建議增加TVS二極管,如SMAJ5.0A。
3. 布線規范:按鍵走線長度超過10cm時需采用雙絞線布局,實測顯示此法可將EMI輻射降低15dBμV/m。
五、故障排查指南
當出現輸出異常時,建議按以下流程檢測:
1. 測量VDD電壓是否穩定(示波器觀察紋波應<50mVpp)
2. 檢查按鍵接觸電阻(正常應<100Ω)
3. 確認負載電流是否超限(高電平輸出時總負載應<10mA)
某客戶案例顯示,因LED驅動電流過大(18mA)導致輸出電平異常,更換限流電阻后問題解決。
六、市場競品對比
與同類多路開關芯片相比,ECJ22131-A8860B在靜態功耗(5μA vs 15μA)和通道隔離度(60dB vs 45dB)方面具有優勢;相較ON Semiconductor的NCP45520,其工作電壓下限更低(2.2V vs 2.7V),但驅動電流稍弱。工程師可根據具體需求進行選擇。
隨著IoT設備的普及,ECJ22131-A8860B這類高集成度、低功耗開關芯片的價值將進一步凸顯。其設計平衡了性能與成本,特別適合需要長時間待機且需多路控制的場景。未來迭代版本有望集成SPI接口,實現更靈活的數字化控制。對于當前項目開發,建議重點評估電源噪聲抑制和長期可靠性設計,以充分發揮芯片性能潛力。

電位器調光板,旋鈕調光控制板
雙色溫臺燈線路板
循環定時蠟燭芯片,8小時開16小時關
電話咨詢
產品中心
聯系麗晶微
網站地圖