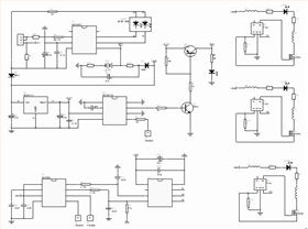
可充電兩用觸摸調光電路板,輸入電壓DC=5V為3.7V 鋰電池充電,充電有過充過放保護功能。
接通電源時都不工作,一個觸摸開關控制總電源,觸摸第1下,鏡子燈亮,臺燈不亮,觸摸第2下,
全滅待機。長按觸摸無極調光。
負載分兩部分工作,鏡子燈部分和臺燈部分,兩部分獨立工作互不影響,觸摸電路板上有2個
觸摸按鍵分別控制。鏡燈部分:打開觸摸PCBA 總電源開關,鏡燈工作。1路白燈初始亮度 100%。
有一觸摸開關,短按ON/OFF功能。關機后打開LED 100%亮度。長按按鍵無極調光,長按第1次減
亮度,長按第2次加亮度,循環。
臺燈部分:打開觸摸PCBA 總電源開關臺燈不工作。一路冷白燈一路暖白燈,初始亮度100%。
有一觸摸開關,短按循環轉換LED工作模式,冷白--暖白--(冷白+ 暖白)--滅待機,4 模式循
環轉換,轉換時LED亮度不變。關機后打開LED 100% 亮度。長按按鍵無極調光,長按第1次減亮
度,長按第2次加亮度,循環。

電位器調光板,旋鈕調光控制板
雙色溫臺燈線路板
循環定時蠟燭芯片,8小時開16小時關
電話咨詢
產品中心
聯系麗晶微
網站地圖