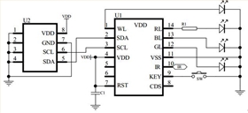
太陽能充氣球閃燈IC芯片,DC=5V、用AA NI-MH 600MAH電池升壓至5V,有四路LED輸出(WL-RL-
GL-BL),一個觸發按鍵控制。七彩閃燈光控功能,用一個5252F控制,白天太陽能充電不工作, LED
見光自動滅,按鍵無效。在有電的情況下,晚上無光時LED自動亮,LED見光滅時是什么燈光,晚上
開啟后LED仍然是滅時的燈光,有記憶功能,此時按鍵有效。
斷電后上電工作,初始為WL白燈亮。
閃燈IC短按第一次BL藍燈亮
閃燈IC短按第二次GL綠燈亮
閃燈IC短按第三次RL紅燈亮
閃燈IC短按第四次WL白燈亮
閃燈芯片以上功能循環。在任何工作模式下,按鍵長按1.5秒關機,關機后白天時充電,到晚上
無光時開啟亮白燈。

電位器調光板,旋鈕調光控制板
雙色溫臺燈線路板
循環定時蠟燭芯片,8小時開16小時關
電話咨詢
產品中心
聯系麗晶微
網站地圖