620A-2F82 5秒延時IC芯片
1、定時IC芯片功能說明:
芯片工作電壓,DC2.2-5.5V。
兩路電平信號輸出,一路輸出低電平,一路輸出高電平,上電不工作,一個按鍵控制,
觸發一下,兩路信號同步工作,延時5秒,時間到自動停止工作,重新觸發重新工作5秒。工作中觸發無效。
2、極限參數
ABSOLUTE MAXIMUM RATING
3、電氣參數:
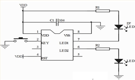
4、參考電路圖:
深圳市麗晶微電子科技有限公司,轉專注于定時開關IC芯片,延時IC芯片,單片機定時芯片,定時IC芯片,定時IC可編程,蠟燭定時芯片,5秒定時IC,咨詢熱線:0755-29100085



蠟燭循環定時IC芯片
10小時定時蠟燭IC芯片
秒定時IC芯片,延時芯片
紅外線遙控4小時延時IC芯片
紅外線遙控8小時亮-16小時滅循環定時IC
20分鐘燈串定時芯片
觸發15秒定時IC芯片
5分鐘燈串定時IC
臺燈循環定時器IC芯片
1-2-3-4-6-8小時定時開關IC芯片
電話咨詢
產品中心
聯系麗晶微
網站地圖