可調延時電路芯片EH803-BDFF-5C93延時開關機芯片 一、功能說明 供電電壓:DC2.4V-5.0V。上電延時開機,兩路電平信號同步輸出(可二選一)。上電OUT1(PIN5)輸出低電平,OUT2(PIN6)輸出高電平。1秒后電平翻轉OUT1輸出高電平,OUT2輸出低電平,(進入低功耗),再次操作需要斷電重新上電。延時時間可選。
EH803-BDFF-5C93延時開關機芯片
供電電壓:DC2.4V-5.0V。上電延時開機,兩路電平信號同步輸出(可二選一)。上電OUT1(PIN5)輸出低電平,OUT2(PIN6)輸出高電平。1秒后電平翻轉OUT1輸出高電平,OUT2輸出低電平,(進入低功耗),再次操作需要斷電重新上電。延時時間可選。
延時時間由OPT1/OPT2/OPT3決定(懸空為1,接地為0)
|
OPT1 |
1 |
0 |
1 |
0 |
1 |
0 |
1 |
0 |
|
OPT2 |
1 |
1 |
0 |
0 |
1 |
1 |
0 |
0 |
|
OPT3 |
1 |
1 |
1 |
1 |
0 |
0 |
0 |
0 |
|
延時時間(S) |
1S |
2S |
3S |
4S |
5S |
8S |
10S |
15S |
二、極限參數
Supply voltage (Vdd)………………… - 0.3V ~ 6.0V
Input in voltage (Vin)…………………… Vss – 0.2V ~ Vdd + 0.2V
Operating ambient temperature (Topr) …………………… -20℃ ~ + 85℃
Storage ambient temperature (Tstor) …………………… –40℃ ~ + 125℃
三、電氣參數(VDD=5.0V TA=25℃)
參數
符號
最小值
典型值
最大值
單位
條件
工作電壓
VDD
2.4
3.0
5.0
V
工作電流
IOP
2
mA
Vdd= 3V(計時狀態芯片功耗)
靜態電流
ISTB
5
uA
Vdd=3V,延時電平翻轉后芯片功耗
驅動電流低電平輸出
IOL
8
15
mA
VDD=5.0V,VOP=VSS+0.5V
驅動電流高電平輸出
IOH
8
15
mA
VDD=5.0V,VOP=VDD-0.5V
過VDD極限電流
IVDDmax
50
mA
過GND極限電流
IGNDmax
50
mA
工作溫度
TA
-20
25
85
℃
儲存溫度
Tstg
-40
25
125
℃
四、封裝腳位圖(SOP-8)
|
管腳號 |
符號 |
功能描述 |
|
1 |
VDD |
電源正 |
|
2 |
OPT1 |
延時選擇1 |
|
3 |
OPT2 |
延時選擇2 |
|
4 |
P13 |
上拉VDD |
|
5 |
OUT1 |
輸出1,低電平有效 |
|
6 |
OUT2 |
輸出2,高電平有效 |
|
7 |
OPT3 |
延時選擇3 |
|
8 |
GND |
電源負 |
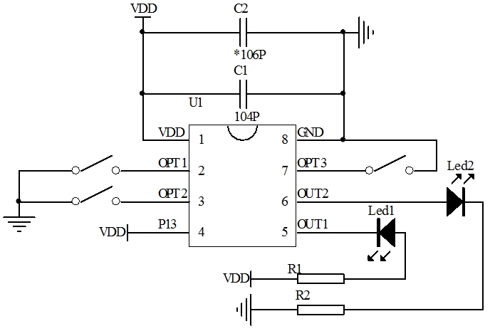
主控推LED應用圖參考
六、封裝尺寸圖(SOP-8)
七、版本說明
版本
日期
描述
EH803-BDFF-5C93
2022/8/5
V01初版501
|
麗晶微芯片定制案例之遙控七彩潛水燈 深圳市某電子有限公司的李經理想開發一款遙控七彩閃燈IC芯片,用在戶外七彩潛水燈產品上面,之前李先生找到其他芯片定制的公司,未能達到理想的功能要求,后來找到了麗晶微電子。在業務與李經理的詳細溝通后了解到,其之前定制開發的樣品經測試,芯片靜態功耗太大.....查看詳情》》 |
|
麗晶微芯片定制案例之遙控電子蠟燭系列 惠州市某電子科技公司的劉經理想定制一批遙控電子蠟燭IC芯片,惠州市某電子公司專業研發生產銷售室內電子蠟燭,室外電子蠟燭,遙控定時電子蠟燭等多種電子蠟燭系列產品。隨著出口市場競爭壓力越來越大,劉經理在與多家芯片定制的公司合作后.....查看詳情》》 |
麗晶微創立于2002年,擁有一批技術精湛的的技術骨干,以及有著豐富經驗的電路設計團隊和專業創新能力高科技人才;工廠設備齊全,實力雄厚
研發團隊會根據您的需求,提供一整套按需定制的解決方案,在技術上保證產品品質、穩定性、可靠性,能更好的解決客戶產品遇到的技術服務問題
臺灣資深程序設計師全程電路設計,每一線路的放置都考慮他的穩定可靠性,內置多重電路保護,微安級別的待機功耗;同時與QVC、PLG、迪斯尼等代工廠的芯片材料供應商強強聯手
完善服務體系,高效,優質的為客戶提供全程技術跟蹤服務;7*24小時貼心服務,免費提供技術指導,幫助客戶解決產品問題,降低生產成本
深圳市麗晶微電子科技有限公司
作為早期成立的從事半導體器件設計制作的企業之一,專注從事模擬電路及數字模擬混合電路開發設計的高技術企業,
主要專業從事CMOS消費類IC:閃燈IC,音樂IC,語音IC,紅外線遙控類,LED控制類驅動類、電源管理類集
成電路產品以及MCU類的設計研發和銷售的企業,提供標準品類和客戶委托開發MASK.....
|
|


