定時芯片延時電路ECH211029-1D2B-BED7 15/30秒定時器芯片 15/30秒定時芯片,延時電路。 兩路按鍵輸入控制,兩路電平信號同步輸出:一路OUTH高電平輸出、一路OUTL低電平輸出,(可二選一)。 上電不工作,OUTH為低電平,OUTL為高電平,短按按鍵開始計時OUTH輸出高電平、OUTL輸出低電平,計時結束電平信號翻轉。中途觸發停止計時輸出信號翻轉。 KEY1:短按開啟30秒定時。 KEY2:短按開啟15秒定時。
ECH211029-1D2B-BED7 15/30秒定時器芯片
一.功能說明
15/30秒定時芯片,延時電路。
兩路按鍵輸入控制,兩路電平信號同步輸出:一路OUTH高電平輸出、一路OUTL低電平輸出,(可二選一)。
上電不工作,OUTH為低電平,OUTL為高電平,短按按鍵開始計時OUTH輸出高電平、OUTL輸出低電平,計時結束電平信號翻轉。中途觸發停止計時輸出信號翻轉。
KEY1:短按開啟30秒定時。
KEY2:短按開啟15秒定時。
二.電氣參數(VDD=3.0V TA=25℃)
參數
符號
最小值
典型值
最大值
單位
條件
工作電壓
VDD
2.4
3.0
5.0
V
工作電流
IOP
3
mA
Fcpu=2MHz@XTAL-4M
靜態電流
ISTB
10
uA
VDD=5V, WDT 開, LVR 關
驅動電流
Iol
30
mA
Vol=0.6V
工作溫度
TA
-10
25
70
℃
儲存溫度
Tstg
-20
25
100
℃
三.封裝腳位圖(SOT23-6)
|
管腳號 |
符號 |
功能描述 |
|
1 |
OUTH |
信號輸出,高電平有效 |
|
2 |
GND |
電源負 |
|
3 |
KEY1 |
30秒定時 |
|
4 |
KEY2 |
15秒定時 |
|
5 |
VDD |
電源正 |
|
6 |
OUTL |
信號輸出,低電平有效 |
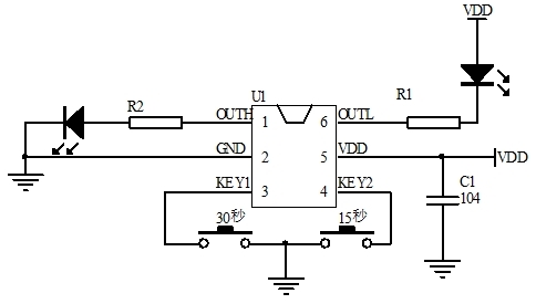
主控接LED應用圖
五.封裝尺寸圖(SOT23-6)
六.版本說明
版本
日期
描述
ECH211029-1D2B-BED7
2021/11/10
V01初版
|
麗晶微芯片定制案例之遙控七彩潛水燈 深圳市某電子有限公司的李經理想開發一款遙控七彩閃燈IC芯片,用在戶外七彩潛水燈產品上面,之前李先生找到其他芯片定制的公司,未能達到理想的功能要求,后來找到了麗晶微電子。在業務與李經理的詳細溝通后了解到,其之前定制開發的樣品經測試,芯片靜態功耗太大.....查看詳情》》 |
|
麗晶微芯片定制案例之遙控電子蠟燭系列 惠州市某電子科技公司的劉經理想定制一批遙控電子蠟燭IC芯片,惠州市某電子公司專業研發生產銷售室內電子蠟燭,室外電子蠟燭,遙控定時電子蠟燭等多種電子蠟燭系列產品。隨著出口市場競爭壓力越來越大,劉經理在與多家芯片定制的公司合作后.....查看詳情》》 |
麗晶微創立于2002年,擁有一批技術精湛的的技術骨干,以及有著豐富經驗的電路設計團隊和專業創新能力高科技人才;工廠設備齊全,實力雄厚
研發團隊會根據您的需求,提供一整套按需定制的解決方案,在技術上保證產品品質、穩定性、可靠性,能更好的解決客戶產品遇到的技術服務問題
臺灣資深程序設計師全程電路設計,每一線路的放置都考慮他的穩定可靠性,內置多重電路保護,微安級別的待機功耗;同時與QVC、PLG、迪斯尼等代工廠的芯片材料供應商強強聯手
完善服務體系,高效,優質的為客戶提供全程技術跟蹤服務;7*24小時貼心服務,免費提供技術指導,幫助客戶解決產品問題,降低生產成本
深圳市麗晶微電子科技有限公司
作為早期成立的從事半導體器件設計制作的企業之一,專注從事模擬電路及數字模擬混合電路開發設計的高技術企業,
主要專業從事CMOS消費類IC:閃燈IC,音樂IC,語音IC,紅外線遙控類,LED控制類驅動類、電源管理類集
成電路產品以及MCU類的設計研發和銷售的企業,提供標準品類和客戶委托開發MASK.....
|
|
