620A-2F82 5秒延時IC芯片 1、定時IC芯片功能說明: 芯片工作電壓,DC2.2-5.5V。 兩路電平信號輸出,一路輸出低電平,一路輸出高電平,上電不工作,一個按鍵控制, 觸發一下,兩路信號同步工作,延時5秒,時間到自動停止工作,重新觸發重新工作5秒。工作中觸發無效。
620A-2F82 5秒延時IC芯片
1、定時IC芯片
功能說明:
芯片工作電壓,DC2.2-5.5V。
兩路電平信號輸出,一路輸出低電平,一路輸出高電平,上電不工作,一個按鍵控制,
觸發一下,兩路信號同步工作,延時5秒,時間到自動停止工作,重新觸發重新工作5秒。工作中觸發無效。
2、極限參數
ABSOLUTE MAXIMUM RATING
|
Supply voltage (Vdd)……… - 0.3V ~ 6.0V |
|
Input in voltage (Vin)…………Vss – 0.2V ~ Vdd + 0.2V |
|
Operating ambient temperature (Topr) 620A-2F82, ………-20℃ ~ + 85℃ |
|
Storage ambient temperature (Tstor) ………–40℃ ~ + 125℃ |
3、電氣參數:
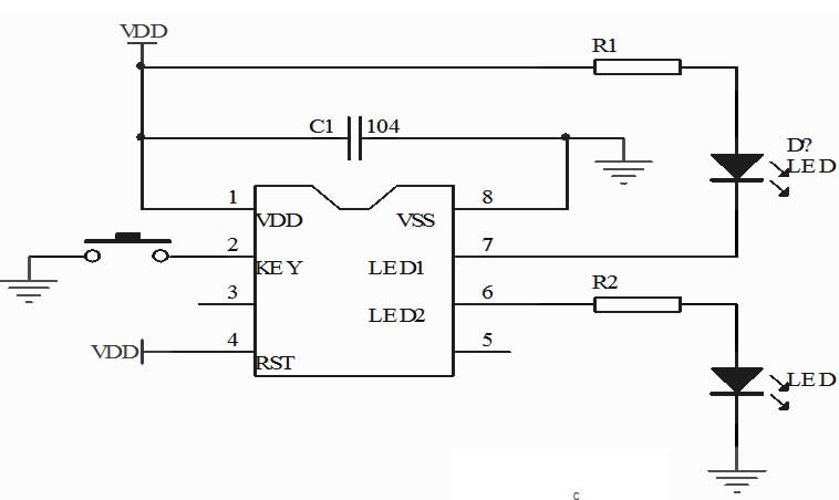
4、參考電路圖:
深圳市麗晶微電子科技有限公司,轉專注于定時開關IC芯片,延時IC芯片,單片機定時芯片,定時IC芯片,定時IC可編程,蠟燭定時芯片,5秒定時IC,咨詢熱線:0755-29100085
|
麗晶微芯片定制案例之遙控七彩潛水燈 深圳市某電子有限公司的李經理想開發一款遙控七彩閃燈IC芯片,用在戶外七彩潛水燈產品上面,之前李先生找到其他芯片定制的公司,未能達到理想的功能要求,后來找到了麗晶微電子。在業務與李經理的詳細溝通后了解到,其之前定制開發的樣品經測試,芯片靜態功耗太大.....查看詳情》》 |
|
麗晶微芯片定制案例之遙控電子蠟燭系列 惠州市某電子科技公司的劉經理想定制一批遙控電子蠟燭IC芯片,惠州市某電子公司專業研發生產銷售室內電子蠟燭,室外電子蠟燭,遙控定時電子蠟燭等多種電子蠟燭系列產品。隨著出口市場競爭壓力越來越大,劉經理在與多家芯片定制的公司合作后.....查看詳情》》 |
麗晶微創立于2002年,擁有一批技術精湛的的技術骨干,以及有著豐富經驗的電路設計團隊和專業創新能力高科技人才;工廠設備齊全,實力雄厚
研發團隊會根據您的需求,提供一整套按需定制的解決方案,在技術上保證產品品質、穩定性、可靠性,能更好的解決客戶產品遇到的技術服務問題
臺灣資深程序設計師全程電路設計,每一線路的放置都考慮他的穩定可靠性,內置多重電路保護,微安級別的待機功耗;同時與QVC、PLG、迪斯尼等代工廠的芯片材料供應商強強聯手
完善服務體系,高效,優質的為客戶提供全程技術跟蹤服務;7*24小時貼心服務,免費提供技術指導,幫助客戶解決產品問題,降低生產成本
深圳市麗晶微電子科技有限公司
作為早期成立的從事半導體器件設計制作的企業之一,專注從事模擬電路及數字模擬混合電路開發設計的高技術企業,
主要專業從事CMOS消費類IC:閃燈IC,音樂IC,語音IC,紅外線遙控類,LED控制類驅動類、電源管理類集
成電路產品以及MCU類的設計研發和銷售的企業,提供標準品類和客戶委托開發MASK.....
|
|

