EH211020-9EFA-4EED超低功耗電子開關芯片 一、功能說明 專門低功耗設計,待機和工作電流極低,三路按鍵輸入控制兩路電平信號輸出,上電不工作(可選工作),OUTL為高電平,OUTH為低電平。 KEY1鍵:長按1秒鍵。 長按1秒開機OUTL輸出低電平,OUTH輸出高電平,再長按1秒電平翻轉(關機)。 KEY2鍵:長按2秒鍵 長按2秒開機OUTL輸出低電平,OUTH輸出高電平,再長按1秒電平翻轉(關機)。 KEY3鍵:長按3秒鍵 長按3秒開機OUTL輸出低電平,OUTH輸出高電平,再長按1秒電平翻轉(關機)。
EH211020-9EFA-4EED超低功耗電子開關芯片
專門低功耗設計,待機和工作電流極低,三路按鍵輸入控制兩路電平信號輸出,上電不工作(可選工作),OUTL為高電平,OUTH為低電平。
KEY1鍵:長按1秒鍵。
長按1秒開機OUTL輸出低電平,OUTH輸出高電平,再長按1秒電平翻轉(關機)。
KEY2鍵:長按2秒鍵
長按2秒開機OUTL輸出低電平,OUTH輸出高電平,再長按1秒電平翻轉(關機)。
KEY3鍵:長按3秒鍵
長按3秒開機OUTL輸出低電平,OUTH輸出高電平,再長按1秒電平翻轉(關機)。
Supply voltage (Vdd)……… - 0.3V ~ 6.0V
Input in voltage (Vin)……… Vss – 0.2V ~ Vdd + 0.2V
Operating ambient temperature (Topr) ………… -20℃ ~ + 85℃
Storage ambient temperature (Tstor) ………… –40℃ ~ + 125℃
三、電氣參數(VDD=3.0V TA=25℃)
|
參數 |
符號 |
最小值 |
典型值 |
最大值 |
單位 |
條件 |
|
工作電壓 |
VDD |
2.2 |
3.0 |
5.0 |
V |
Fcpu = 1MHz |
|
工作電流 |
IOP |
|
1.5 |
5 |
mA |
Vdd= 3V, 4Mhz |
|
靜態電流 |
ISTB |
|
5 |
10 |
uA |
Vdd=3V, ILRC 16Khz |
|
驅動電流低電平輸出 |
IOL |
8 |
15 |
|
mA |
VDD=5.0V,VOP=VSS+0.5V |
|
驅動電流高電平輸出 |
IOH |
8 |
15 |
|
mA |
VDD=5.0V,VOP=VDD-0.5V |
|
過VDD極限電流 |
IVDDmax |
|
|
50 |
mA |
|
|
過GND極限電流 |
IGNDmax |
|
|
50 |
mA |
|
|
工作溫度 |
TA |
-20 |
25 |
85 |
℃ |
|
|
儲存溫度 |
Tstg |
-40 |
25 |
125 |
℃ |
|
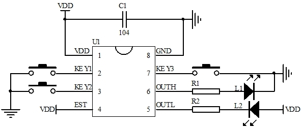
四、封裝腳位圖
|
管腳號 |
符號 |
功能描述 |
|
1 |
VDD |
電源正 |
|
2 |
KEY1 |
長按1秒開關鍵 |
|
3 |
KEY2 |
長按2秒開關鍵 |
|
4 |
EST |
外部上拉VDD |
|
5 |
OUTL |
LED輸出,低電平有效 |
|
6 |
OUTH |
LED輸出,高電平有效 |
|
7 |
KEY3 |
長按3秒開關鍵 |
|
8 |
GND |
電源負 |
接LED應用圖
七、版本說明
版本
日期
描述
EH211020-9E88-569E
2021/10/22
V01初版
EH211020-9EBD-4A70
2021/11/5
V02升級程序
EH211020-9EFA-4EED
2022/10/19
V03升級程序
|
麗晶微芯片定制案例之遙控七彩潛水燈 深圳市某電子有限公司的李經理想開發一款遙控七彩閃燈IC芯片,用在戶外七彩潛水燈產品上面,之前李先生找到其他芯片定制的公司,未能達到理想的功能要求,后來找到了麗晶微電子。在業務與李經理的詳細溝通后了解到,其之前定制開發的樣品經測試,芯片靜態功耗太大.....查看詳情》》 |
|
麗晶微芯片定制案例之遙控電子蠟燭系列 惠州市某電子科技公司的劉經理想定制一批遙控電子蠟燭IC芯片,惠州市某電子公司專業研發生產銷售室內電子蠟燭,室外電子蠟燭,遙控定時電子蠟燭等多種電子蠟燭系列產品。隨著出口市場競爭壓力越來越大,劉經理在與多家芯片定制的公司合作后.....查看詳情》》 |
麗晶微創立于2002年,擁有一批技術精湛的的技術骨干,以及有著豐富經驗的電路設計團隊和專業創新能力高科技人才;工廠設備齊全,實力雄厚
研發團隊會根據您的需求,提供一整套按需定制的解決方案,在技術上保證產品品質、穩定性、可靠性,能更好的解決客戶產品遇到的技術服務問題
臺灣資深程序設計師全程電路設計,每一線路的放置都考慮他的穩定可靠性,內置多重電路保護,微安級別的待機功耗;同時與QVC、PLG、迪斯尼等代工廠的芯片材料供應商強強聯手
完善服務體系,高效,優質的為客戶提供全程技術跟蹤服務;7*24小時貼心服務,免費提供技術指導,幫助客戶解決產品問題,降低生產成本
深圳市麗晶微電子科技有限公司
作為早期成立的從事半導體器件設計制作的企業之一,專注從事模擬電路及數字模擬混合電路開發設計的高技術企業,
主要專業從事CMOS消費類IC:閃燈IC,音樂IC,語音IC,紅外線遙控類,LED控制類驅動類、電源管理類集
成電路產品以及MCU類的設計研發和銷售的企業,提供標準品類和客戶委托開發MASK.....
|
|
