單鍵兩路觸摸調光電路板功能說明: 1、 輸入電源電壓DC=5V,3.7V鋰電池供電,充電電流300ma/H。 2、 上電不工作,有兩路LED燈,一路冷白LED1,一路暖白LED2,初始打開亮度50%。有一觸摸開關K1控制,短按循環轉換LED工作模式,
單鍵兩路觸摸調光電路板功能說明:
1、 輸入電源電壓DC=5V,3.7V鋰電池供電,充電電流300ma/H。
2、 上電不工作,有兩路LED燈,一路冷白LED1,一路暖白LED2,初始打開亮度50%。有一觸摸開關K1控制,短按循環轉換LED工作模式,
短按第1下LED1燈亮,
短按第2下LED2亮,LED1滅。
短按第3下全滅,依次循環。即冷白--暖白--滅待機。轉換時LED亮度不變。長按按鍵無極調光,長按第1次加亮度,長按第2次減亮度,循環。最低亮度2%,最高100%。
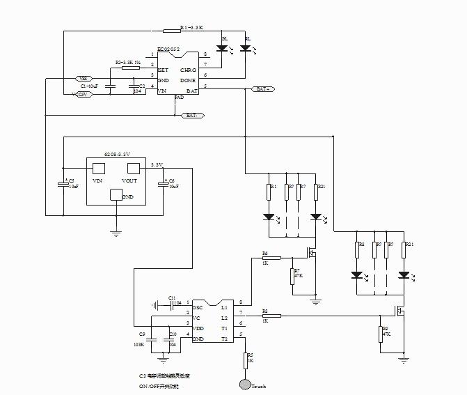
3、參考電路圖:
|
麗晶微芯片定制案例之遙控七彩潛水燈 深圳市某電子有限公司的李經理想開發一款遙控七彩閃燈IC芯片,用在戶外七彩潛水燈產品上面,之前李先生找到其他芯片定制的公司,未能達到理想的功能要求,后來找到了麗晶微電子。在業務與李經理的詳細溝通后了解到,其之前定制開發的樣品經測試,芯片靜態功耗太大.....查看詳情》》 |
|
麗晶微芯片定制案例之遙控電子蠟燭系列 惠州市某電子科技公司的劉經理想定制一批遙控電子蠟燭IC芯片,惠州市某電子公司專業研發生產銷售室內電子蠟燭,室外電子蠟燭,遙控定時電子蠟燭等多種電子蠟燭系列產品。隨著出口市場競爭壓力越來越大,劉經理在與多家芯片定制的公司合作后.....查看詳情》》 |
麗晶微創立于2002年,擁有一批技術精湛的的技術骨干,以及有著豐富經驗的電路設計團隊和專業創新能力高科技人才;工廠設備齊全,實力雄厚
研發團隊會根據您的需求,提供一整套按需定制的解決方案,在技術上保證產品品質、穩定性、可靠性,能更好的解決客戶產品遇到的技術服務問題
臺灣資深程序設計師全程電路設計,每一線路的放置都考慮他的穩定可靠性,內置多重電路保護,微安級別的待機功耗;同時與QVC、PLG、迪斯尼等代工廠的芯片材料供應商強強聯手
完善服務體系,高效,優質的為客戶提供全程技術跟蹤服務;7*24小時貼心服務,免費提供技術指導,幫助客戶解決產品問題,降低生產成本
深圳市麗晶微電子科技有限公司
作為早期成立的從事半導體器件設計制作的企業之一,專注從事模擬電路及數字模擬混合電路開發設計的高技術企業,
主要專業從事CMOS消費類IC:閃燈IC,音樂IC,語音IC,紅外線遙控類,LED控制類驅動類、電源管理類集
成電路產品以及MCU類的設計研發和銷售的企業,提供標準品類和客戶委托開發MASK.....
|
|


