EC022WS是一款集成了觸摸按鍵、開關及LED燈光開關與亮度調節的單通道觸摸芯片。使用該芯片可以實現單路觸摸按鍵與單路觸摸開關功能,以及LED燈光的觸摸開關控制和亮度調節
EC022WS 單通道直流LED調光觸摸芯片
一、概述
EC022WS是一款集成了觸摸按鍵、開關及LED燈光開關與亮度調節的單通道觸摸芯片。使用該芯片可以實現單路觸摸按鍵與單路觸摸開關功能,以及LED燈光的觸摸開關控制和亮度調節。具有如下功能特點和優勢:
①燈光亮度可根據需要隨意調節,選擇范圍寬,操作簡單方便。
②可在有介質(如玻璃、亞克力、塑料、陶瓷等)隔離保護的情況下實現觸摸功能,安全性高。
③應用電壓范圍寬,可在 2.4~5.5V 之間任意選擇。
④應用電路簡單,外圍器件少,加工方便,成本低。
⑤控制輸出PMW信號頻率達20KHz,無頻閃效果極佳。
⑥抗干擾特性好。芯片級ESD達±4KV,EFT 可達±4KV 以上;近距離、多角度手機干擾情況下,觸摸響應靈敏度及可靠性不受影響。
二、 特性
工作電壓:2.4~5.5V
工作頻率:4MHz
觸摸輸入:一路(TI)
選項輸入:三路(OP1/OP2/OP3)
控制輸出:一路(SO)
功能描述:
TI 觸摸輸入對應SO燈光控制輸出,通過調制 PWM 輸出信號的占空比控制LED燈的開關和亮度變化,PWM信號的頻率固定為20KHz左右。共有八種功能可選,由 OPT1/OPT2/OPT3 管腳上電前的輸入狀態來決定。具體如下:
1)OP1,OP2,OP3全部懸空:不帶亮度記憶不帶亮度緩沖的LED觸摸無級調光
2)OP1接地,OP2&OP3懸空:帶亮度記憶不帶亮度緩沖的LED觸摸無級調光
3)OP1&OP3懸空,OP2接地:LED三段觸控調光,【高->中->低->滅】循環
4)OP1&OP2接地,OP3懸空:LED三段觸控調光,【低->中->高->滅】循環
5)OP1&OP2懸空,OP3接地:單路觸摸按鍵,按鍵輸出低電平
6)OP1懸空,OP2&OP3接地:單路觸摸按鍵,按鍵輸出高電平
7)OP1&OP3接地,OP2懸空:單鍵觸摸開關,上電輸出高電平
8)OP1,OP2,OP3全部接地:單鍵觸摸開關,上電輸出低電平
三、以下為詳細功能說明:
1、不帶亮度記憶不帶亮度緩沖的LED觸摸無級調光功能如下:
①初始上電時,SO輸出全低電平,LED燈不亮。
②短按觸摸(觸摸持續時間小于 550ms),可實現燈光的開關亮滅控制。一次短按觸摸,燈亮;再一次短按觸摸,燈滅。多次短按,依此循環。燈光點亮或關滅時,無亮度緩沖。且每次開燈的亮度固定為最高亮度,對應輸出PWM信號的高電平占空比為 100%。
③長按觸摸(觸摸持續時間大于 550ms),可實現燈光無級亮度調節。一次長按觸摸,燈光亮度逐漸降低,松開時停在當時的亮度,若長按時間超過 3 秒鐘,則燈光亮度達到最低后不再變化;再一次長按觸摸,燈光亮度逐漸升高,松開時停在當時的亮度,若長按時間超過 3 秒鐘,則燈光亮度達到最高后不再變化。多次長按,依此循環。最低亮度的PWM 信號占空比為 2%,最高亮度為 100%。燈不亮的情況下,長按觸摸也可開燈。此種情況下,按鍵按下后首先以最高亮度亮燈,若超過550ms后仍未松開,則開始向下無級調光。
④點擊觸摸和長按觸摸可在任何時候隨意使用,相互之間功能不受干擾和限制。
2、帶亮度記憶不帶亮度緩沖的LED觸摸無級調光功能是在不帶亮度記憶不帶亮度緩沖的LED觸摸無級調光功能的基礎上增加了亮度記憶功能。即在電源不斷電的情況下,每次短按觸摸關燈時的亮度會被記憶保存,下次觸摸開燈時會以此亮度作為初始亮度。開燈后第一次調光的方向由之前記憶的亮度值來決定,若記憶亮度值大于50%,則向下調光;若記憶亮度值小于50%,則向上調光。初始上電或斷電后重新上電,第一次開燈的初始亮度固定為100%最高亮度,第一次調光的方向固定為向下調光。
3、LED三段觸控調光,【高->中->低->滅】循環
①初始上電時,SO輸出全低電平,LED燈不亮。
②第一次觸摸,燈光為高檔亮度;第二次觸摸,燈光為中檔亮度;第三次觸摸,燈光為低檔亮度;第四次觸摸,燈滅。多次按鍵,依此循環。高中低三檔亮度對應的輸出 PWM 信號占空比分別為 100%、40%、10%。
4、LED 三段觸控調光,【低->中->高->滅】循環
①初始上電時,SO輸出全低電平,LED 燈不亮。
②第一次觸摸,燈光為低檔亮度;第二次觸摸,燈光為中檔亮度;第三次觸摸,燈光為高檔亮度;第四次觸摸,燈滅。多次按鍵,依此循環。低中高三檔亮度對應的輸出PWM信號占空比分別為 10%、40%、100%。
5、單路觸摸按鍵,按鍵輸出低電平
①上電后,SO輸出全高電平。
②觸摸按鍵后,SO輸出變為低電平;觸摸松開后,SO輸出回復高電平。
6、單路觸摸按鍵,按鍵輸出低電平
①上電后,SO輸出全低電平。
②觸摸按鍵后,SO輸出變為高電平;觸摸松開后,SO輸出回復低電平。
7、單鍵觸摸開關,上電輸出低電平
①上電后,SO輸出全低電平。
②每觸摸按鍵一次,SO輸出狀態翻轉一次。
8、單鍵觸摸開關,上電輸出高電平
①上電后,SO輸出全高電平。
②每觸摸按鍵一次,SO輸出狀態翻轉一次。
四、腳位分布及功能說明:
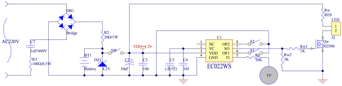
五、應用電路圖:
圖 1、電源適配器供電時的典型應用電路
圖 2、電池供電時的典型應用電路-1
圖 3、電池供電時的典型應用電路-2
圖 4、交流與鉛酸電池雙供電時的典型應用電路
注: 當介質材料及厚度等差異較大時,可通過調整VC與GND之間的C4電容來調節觸摸靈敏度。建議的取值范圍在 102~104 之間,典型值為103,在此范圍內,電容容值越大,靈敏度越高,電容容值越小,靈敏度越低。電容材質方面,插件時建議選擇滌綸電容,貼片時建議優先選擇 NPO 電容,其次X7R電容也可以,不可用Y5V瓷片電容。以下參數數據僅供參考,具體以實際為準。
六、電氣參數:
深圳市麗晶微電子科技有限公司,專注于觸摸調光芯片,單通道觸摸芯片,觸摸IC,觸摸調光IC,單鍵觸摸芯片,觸摸按鍵IC,觸摸芯片廠家,咨詢熱線:0755-29100085
|
麗晶微芯片定制案例之遙控七彩潛水燈 深圳市某電子有限公司的李經理想開發一款遙控七彩閃燈IC芯片,用在戶外七彩潛水燈產品上面,之前李先生找到其他芯片定制的公司,未能達到理想的功能要求,后來找到了麗晶微電子。在業務與李經理的詳細溝通后了解到,其之前定制開發的樣品經測試,芯片靜態功耗太大.....查看詳情》》 |
|
麗晶微芯片定制案例之遙控電子蠟燭系列 惠州市某電子科技公司的劉經理想定制一批遙控電子蠟燭IC芯片,惠州市某電子公司專業研發生產銷售室內電子蠟燭,室外電子蠟燭,遙控定時電子蠟燭等多種電子蠟燭系列產品。隨著出口市場競爭壓力越來越大,劉經理在與多家芯片定制的公司合作后.....查看詳情》》 |
麗晶微創立于2002年,擁有一批技術精湛的的技術骨干,以及有著豐富經驗的電路設計團隊和專業創新能力高科技人才;工廠設備齊全,實力雄厚
研發團隊會根據您的需求,提供一整套按需定制的解決方案,在技術上保證產品品質、穩定性、可靠性,能更好的解決客戶產品遇到的技術服務問題
臺灣資深程序設計師全程電路設計,每一線路的放置都考慮他的穩定可靠性,內置多重電路保護,微安級別的待機功耗;同時與QVC、PLG、迪斯尼等代工廠的芯片材料供應商強強聯手
完善服務體系,高效,優質的為客戶提供全程技術跟蹤服務;7*24小時貼心服務,免費提供技術指導,幫助客戶解決產品問題,降低生產成本
深圳市麗晶微電子科技有限公司
作為早期成立的從事半導體器件設計制作的企業之一,專注從事模擬電路及數字模擬混合電路開發設計的高技術企業,
主要專業從事CMOS消費類IC:閃燈IC,音樂IC,語音IC,紅外線遙控類,LED控制類驅動類、電源管理類集
成電路產品以及MCU類的設計研發和銷售的企業,提供標準品類和客戶委托開發MASK.....
|
|


