10-20-30分鐘延時開關芯片EH4705-3C33-1B89三路循環定時芯片 工作電壓范圍DC2.0V-DC3.6V,一路輕觸開關控制,3路輸出, 上電輸出低,PIN5-OUT1輸出10分鐘后轉為高輸出5分鐘后再轉為低輸出一直循環。PIN6-OUT2,20分鐘低--10分鐘高----20分鐘低---10分鐘高---一直循環,PIN7-OUT3輸出30分鐘低--30分鐘高----30分鐘低---30分鐘高---一直循環。
EH4705-3C33-1B89三路循環定時芯片
一、功能說明
工作電壓范圍DC2.0V-DC3.6V,一路輕觸開關控制,3路輸出, 上電輸出低,PIN5-OUT1輸出10分鐘后轉為高輸出5分鐘后再轉為低輸出一直循環。PIN6-OUT2,20分鐘低--10分鐘高----20分鐘低---10分鐘高---一直循環,PIN7-OUT3輸出30分鐘低--30分鐘高----30分鐘低---30分鐘高---一直循環。
二、極限參數
Voltage applied at VDD to VSS ................................- 0.3V to 3.8V
Voltage applied at any pin to VSS...............................- 0.2V to VDD+0.3V
Operating ambient temperature.....................................-20°C to 80°C
Storage ambient temperature ................................. -40°C to 125°C
三、電氣參數(VDD=5.0V TA=25℃)
參數
符號
最小值
典型值
最大值
單位
條件
工作電壓
VDD
2.0
3.0
3.6
V
工作電流
IOP
190
uA
VDD=3.0V輸出懸空
驅動電流低電平輸出
IOL
14
mA
VDD=5.0V,VOL=0.7V
驅動電流高電平輸出
IOH
6
mA
VDD=5.0V,VOH=VDD-0.7
過VDD極限電流
IVDDmax
50
mA
過GND極限電流
IGNDmax
50
mA
工作溫度
TA
-20
25
80
℃
儲存溫度
Tstg
-20
25
125
℃
四、封裝腳位圖(SOP-8)
五、PIN引腳說明及功能描述
管腳號
符號
功能描述
1
VDD
IC正極
2
NC
懸空
3
NC
懸空
4
P13
外部上拉VDD
5
OUT1
10分鐘-5分鐘循環輸出,低電平有效
6
OUT2
20分鐘-10分鐘循環輸出,低電平有效
7
OUT3
30分鐘-30分鐘循環輸出,低電平有效
8
GND
IC負極
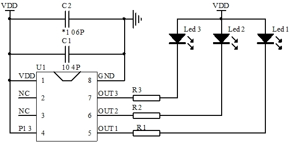
六、電路參考圖
接LED電路
七、封裝尺寸圖(SOP-8)
八、版本說明
版本
日期
描述
EH4705-33C33-1B89
2024/7/26
V01版本
|
麗晶微芯片定制案例之遙控七彩潛水燈 深圳市某電子有限公司的李經理想開發一款遙控七彩閃燈IC芯片,用在戶外七彩潛水燈產品上面,之前李先生找到其他芯片定制的公司,未能達到理想的功能要求,后來找到了麗晶微電子。在業務與李經理的詳細溝通后了解到,其之前定制開發的樣品經測試,芯片靜態功耗太大.....查看詳情》》 |
|
麗晶微芯片定制案例之遙控電子蠟燭系列 惠州市某電子科技公司的劉經理想定制一批遙控電子蠟燭IC芯片,惠州市某電子公司專業研發生產銷售室內電子蠟燭,室外電子蠟燭,遙控定時電子蠟燭等多種電子蠟燭系列產品。隨著出口市場競爭壓力越來越大,劉經理在與多家芯片定制的公司合作后.....查看詳情》》 |
麗晶微創立于2002年,擁有一批技術精湛的的技術骨干,以及有著豐富經驗的電路設計團隊和專業創新能力高科技人才;工廠設備齊全,實力雄厚
研發團隊會根據您的需求,提供一整套按需定制的解決方案,在技術上保證產品品質、穩定性、可靠性,能更好的解決客戶產品遇到的技術服務問題
臺灣資深程序設計師全程電路設計,每一線路的放置都考慮他的穩定可靠性,內置多重電路保護,微安級別的待機功耗;同時與QVC、PLG、迪斯尼等代工廠的芯片材料供應商強強聯手
完善服務體系,高效,優質的為客戶提供全程技術跟蹤服務;7*24小時貼心服務,免費提供技術指導,幫助客戶解決產品問題,降低生產成本
深圳市麗晶微電子科技有限公司
作為早期成立的從事半導體器件設計制作的企業之一,專注從事模擬電路及數字模擬混合電路開發設計的高技術企業,
主要專業從事CMOS消費類IC:閃燈IC,音樂IC,語音IC,紅外線遙控類,LED控制類驅動類、電源管理類集
成電路產品以及MCU類的設計研發和銷售的企業,提供標準品類和客戶委托開發MASK.....
|
|


