一鍵開關機專用芯片 觸發開關IC芯片EH5202-51AE-2931長按5秒開關機芯片 工作電壓范圍DC2.0V-DC3.6V,一路輕觸開關控制,2路輸出,上電不工作OUTH輸出低電平,OUTL輸出高電平。長按按鍵5秒開機,OUTH輸出高電平,OUTL輸出低電平
EH5202-51AE-2931長按5秒開關機芯片
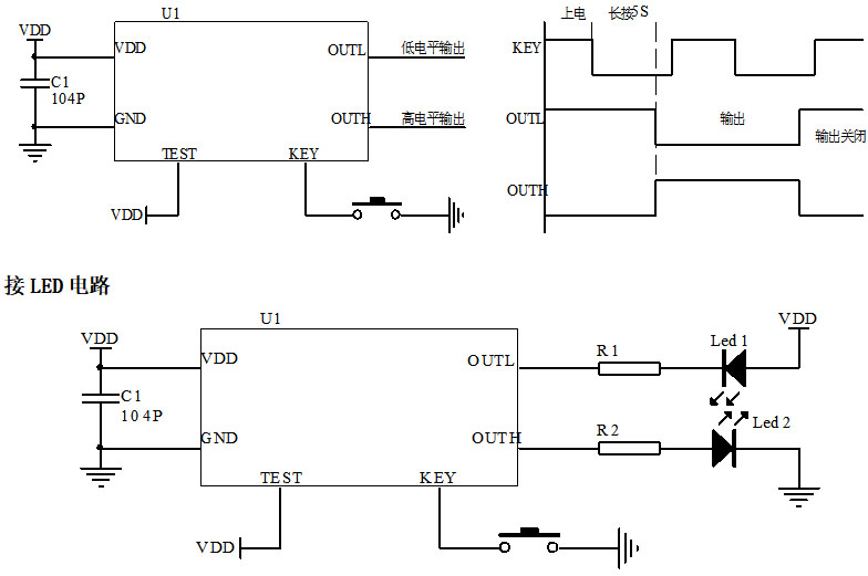
一.功能說明
工作電壓范圍DC2.0V-DC3.6V,一路輕觸開關控制,2路輸出,上電不工作OUTH輸出低電平,OUTL輸出高電平。長按按鍵5秒開機,OUTH輸出高電平,OUTL輸出低電平。再長按按鍵5秒關機輸出電平翻轉,OUTH輸出低電平,OUTL輸出高電平。
二.極限參數
Voltage applied at VDD to VSS .............................- 0.3V to 3.8V
Voltage applied at any pin to VSS......................... 0.2V to VDD+0.3V
Operating ambient temperature.........................-20°C to 80°C
Storage ambient temperature .......................... -40°C to 125°C
三.電氣參數(VDD=3.0V TA=25℃)
工作電壓:2.4V-3.6V;
工作電流:5uA;
靜態電流:5uA;
驅動電流低電平輸出:14mA;
驅動電路高電平輸出:6mA;
過VDD極限電流:50mA;
過GND極限電流:50mA;
工作溫度:-20攝氏度-+80攝氏度;
儲存溫度:-40攝氏度-+125攝氏度;
五.封裝尺寸圖(SOT23-6)
六.版本說明
版本
日期
描述
EH3808-519E-2921
2023/5/9
V01版本
EH5202-51AE-2931
2024/12/08
V02版本增加5秒按鍵
|
麗晶微芯片定制案例之遙控七彩潛水燈 深圳市某電子有限公司的李經理想開發一款遙控七彩閃燈IC芯片,用在戶外七彩潛水燈產品上面,之前李先生找到其他芯片定制的公司,未能達到理想的功能要求,后來找到了麗晶微電子。在業務與李經理的詳細溝通后了解到,其之前定制開發的樣品經測試,芯片靜態功耗太大.....查看詳情》》 |
|
麗晶微芯片定制案例之遙控電子蠟燭系列 惠州市某電子科技公司的劉經理想定制一批遙控電子蠟燭IC芯片,惠州市某電子公司專業研發生產銷售室內電子蠟燭,室外電子蠟燭,遙控定時電子蠟燭等多種電子蠟燭系列產品。隨著出口市場競爭壓力越來越大,劉經理在與多家芯片定制的公司合作后.....查看詳情》》 |
麗晶微創立于2002年,擁有一批技術精湛的的技術骨干,以及有著豐富經驗的電路設計團隊和專業創新能力高科技人才;工廠設備齊全,實力雄厚
研發團隊會根據您的需求,提供一整套按需定制的解決方案,在技術上保證產品品質、穩定性、可靠性,能更好的解決客戶產品遇到的技術服務問題
臺灣資深程序設計師全程電路設計,每一線路的放置都考慮他的穩定可靠性,內置多重電路保護,微安級別的待機功耗;同時與QVC、PLG、迪斯尼等代工廠的芯片材料供應商強強聯手
完善服務體系,高效,優質的為客戶提供全程技術跟蹤服務;7*24小時貼心服務,免費提供技術指導,幫助客戶解決產品問題,降低生產成本
深圳市麗晶微電子科技有限公司
作為早期成立的從事半導體器件設計制作的企業之一,專注從事模擬電路及數字模擬混合電路開發設計的高技術企業,
主要專業從事CMOS消費類IC:閃燈IC,音樂IC,語音IC,紅外線遙控類,LED控制類驅動類、電源管理類集
成電路產品以及MCU類的設計研發和銷售的企業,提供標準品類和客戶委托開發MASK.....
|
|


