觸摸芯片推薦 ET8196四鍵觸摸臺燈芯片 供電方式:DC10V適配器供電。四路觸摸輸入,四路輸出:2路指示燈、2路主燈:白燈、暖燈。上電主燈不工作紅指示燈亮,開主燈綠指示燈亮。 觸摸1(5腳):主燈關。開燈狀態觸摸下關閉。任何模式或亮度關閉再打開,默認白燈100%亮。 觸摸2(6腳):開燈和模式轉換。觸摸一下開啟LED默認白燈100%亮度,觸摸下暖100%亮度,再觸摸下暖+白各50 %亮度,再觸摸下白,依次循環。
ET8196四鍵觸摸臺燈芯片
一、功能說明
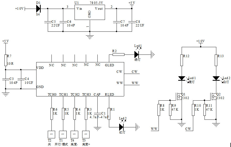
供電方式:DC10V適配器供電。四路觸摸輸入,四路輸出:2路指示燈、2路主燈:白燈、暖燈。上電主燈不工作紅指示燈亮,開主燈綠指示燈亮。
觸摸1(5腳):主燈關。開燈狀態觸摸下關閉。任何模式或亮度關閉再打開,默認白燈100%亮。
觸摸2(6腳):開燈和模式轉換。觸摸一下開啟LED默認白燈100%亮度,觸摸下暖100%亮度,再觸摸下暖+白各50 %亮度,再觸摸下白,依次循環。
觸摸3(3腳):亮度加。共四檔:20%-40%-60%-80%-100%,長按無極調光20%-100%,混色最低亮度各10% 長按無極調光周期3秒 。
觸摸4(4腳):亮度減。共四檔。100%-80%-60%-40%-20%,長按無極調光100%-20%,混色最低亮度各10% 長按無極調光周期3秒 。
二、電氣參數(VDD=5.0V TA=25℃)
工作電壓:2.4V-5V;
工作電流:7mA;
靜態電流:3mA;
驅動電流輸出:30mA;
工作溫度:-10攝氏度-+85攝氏度;
儲存溫度:-20攝氏度-+125攝氏度;
三、電路參考圖
四、封裝尺寸圖(SOP-16)
五、版本說明:
版本
日期
描述
ET6DDC
2023/6/10
V01初版
ET5AC4
2023/6/13
V02增加一檔20%亮度
ET8196
2023/6/20
V03改:增加5檔亮度
|
麗晶微芯片定制案例之遙控七彩潛水燈 深圳市某電子有限公司的李經理想開發一款遙控七彩閃燈IC芯片,用在戶外七彩潛水燈產品上面,之前李先生找到其他芯片定制的公司,未能達到理想的功能要求,后來找到了麗晶微電子。在業務與李經理的詳細溝通后了解到,其之前定制開發的樣品經測試,芯片靜態功耗太大.....查看詳情》》 |
|
麗晶微芯片定制案例之遙控電子蠟燭系列 惠州市某電子科技公司的劉經理想定制一批遙控電子蠟燭IC芯片,惠州市某電子公司專業研發生產銷售室內電子蠟燭,室外電子蠟燭,遙控定時電子蠟燭等多種電子蠟燭系列產品。隨著出口市場競爭壓力越來越大,劉經理在與多家芯片定制的公司合作后.....查看詳情》》 |
麗晶微創立于2002年,擁有一批技術精湛的的技術骨干,以及有著豐富經驗的電路設計團隊和專業創新能力高科技人才;工廠設備齊全,實力雄厚
研發團隊會根據您的需求,提供一整套按需定制的解決方案,在技術上保證產品品質、穩定性、可靠性,能更好的解決客戶產品遇到的技術服務問題
臺灣資深程序設計師全程電路設計,每一線路的放置都考慮他的穩定可靠性,內置多重電路保護,微安級別的待機功耗;同時與QVC、PLG、迪斯尼等代工廠的芯片材料供應商強強聯手
完善服務體系,高效,優質的為客戶提供全程技術跟蹤服務;7*24小時貼心服務,免費提供技術指導,幫助客戶解決產品問題,降低生產成本
深圳市麗晶微電子科技有限公司
作為早期成立的從事半導體器件設計制作的企業之一,專注從事模擬電路及數字模擬混合電路開發設計的高技術企業,
主要專業從事CMOS消費類IC:閃燈IC,音樂IC,語音IC,紅外線遙控類,LED控制類驅動類、電源管理類集
成電路產品以及MCU類的設計研發和銷售的企業,提供標準品類和客戶委托開發MASK.....
|
|
