閃燈芯片SOT23-6 EY41021-83D835單按鍵2HZ閃燈芯片 供電方式:DC3.0V AA*2干電池。輕觸按鍵輸入控制一路LED低電平輸出。 上電不工作,長按2秒開機LED常亮,短按一下按鍵LED2HZ閃,再短按一下LED返回常亮,長按2秒關機。無記憶,無論從哪個模式關機再開,都從常亮模式開始。
EY41021-83D835單按鍵2HZ閃燈芯片
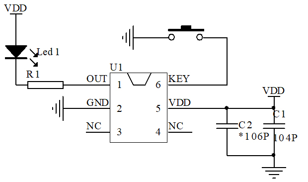
一.功能說明:
供電方式:DC3.0V AA*2干電池。輕觸按鍵輸入控制一路LED低電平輸出。
上電不工作,長按2秒開機LED常亮,短按一下按鍵LED2HZ閃,再短按一下LED返回常亮,長按2秒關機。無記憶,無論從哪個模式關機再開,都從常亮模式開始。
二.電氣參數(VDD=5.0V TA=25℃)
工作電壓:2.4V-5V;
工作電流:0.5mA;
靜態電流:2uA;
驅動電流低電平輸出:13mA;
驅動電流高電平輸出:11mA;
工作溫度:-10攝氏度-+60攝氏度;
儲存溫度:-25攝氏度-+125攝氏度;

四.封裝尺寸圖(SOT23-6)
五.版本說明
版本
日期
描述
EY41021-83D835
2024/11/21
V01初版
|
麗晶微芯片定制案例之遙控七彩潛水燈 深圳市某電子有限公司的李經理想開發一款遙控七彩閃燈IC芯片,用在戶外七彩潛水燈產品上面,之前李先生找到其他芯片定制的公司,未能達到理想的功能要求,后來找到了麗晶微電子。在業務與李經理的詳細溝通后了解到,其之前定制開發的樣品經測試,芯片靜態功耗太大.....查看詳情》》 |
|
麗晶微芯片定制案例之遙控電子蠟燭系列 惠州市某電子科技公司的劉經理想定制一批遙控電子蠟燭IC芯片,惠州市某電子公司專業研發生產銷售室內電子蠟燭,室外電子蠟燭,遙控定時電子蠟燭等多種電子蠟燭系列產品。隨著出口市場競爭壓力越來越大,劉經理在與多家芯片定制的公司合作后.....查看詳情》》 |
麗晶微創立于2002年,擁有一批技術精湛的的技術骨干,以及有著豐富經驗的電路設計團隊和專業創新能力高科技人才;工廠設備齊全,實力雄厚
研發團隊會根據您的需求,提供一整套按需定制的解決方案,在技術上保證產品品質、穩定性、可靠性,能更好的解決客戶產品遇到的技術服務問題
臺灣資深程序設計師全程電路設計,每一線路的放置都考慮他的穩定可靠性,內置多重電路保護,微安級別的待機功耗;同時與QVC、PLG、迪斯尼等代工廠的芯片材料供應商強強聯手
完善服務體系,高效,優質的為客戶提供全程技術跟蹤服務;7*24小時貼心服務,免費提供技術指導,幫助客戶解決產品問題,降低生產成本
深圳市麗晶微電子科技有限公司
作為早期成立的從事半導體器件設計制作的企業之一,專注從事模擬電路及數字模擬混合電路開發設計的高技術企業,
主要專業從事CMOS消費類IC:閃燈IC,音樂IC,語音IC,紅外線遙控類,LED控制類驅動類、電源管理類集
成電路產品以及MCU類的設計研發和銷售的企業,提供標準品類和客戶委托開發MASK.....
|
|


