EC1786B跑馬燈芯片 一、功能說明: 本產品是一款專用拖尾式流星雨 IC,設計的專用集成電路,采用先進的控制技術和寬電壓設計方案,工作電壓可達3.0V-6.8V之高; 封裝方式 :SOP-8。 主要用于LED流星雨燈飾指示燈等; CMOS設計制造工藝,低功耗,工作電壓寬,抗干擾能力強;6LED拖尾燈串,上電工作,一周期時間為1.6s;OPT不接,默認大驅動;OPT接VDD,驅動減小一半。
EC1786B跑馬燈芯片
一、功能說明:
本產品是一款專用拖尾式流星雨IC,設計的專用集成電路,采用先進的控制技術和寬電壓設計方案,工作電壓可達3.0V-6.8V之高;
封裝方式:SOP-8。
主要用于LED流星雨燈飾指示燈等;
CMOS設計制造工藝,低功耗,工作電壓寬,抗干擾能力強;6LED拖尾燈串,上電工作,一周期時間為1.6s;OPT不接,默認大驅動;OPT接VDD,驅動減小一半。
二、電氣參數(VDD=4.5V,GND=0,Ta=25℃)
Characteristies
Sym
Min
Typ
Max
Unit
Remarks
工作電壓
Vdd
3.0
4.5
6.8
V
工作電流
Iop
500
µA
VDD=4.5V,No load
LED推動電流(OPT不接)
Iol
140
mA
Vdd=4.5V,Vload=1.8V
工作溫度
Temp
0
25
60
℃
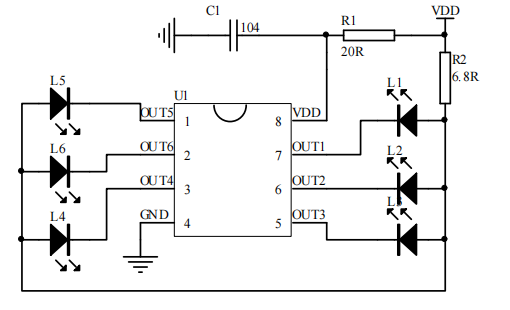
三、封裝腳位圖(SOP-8)

|
管腳號 |
符號 |
功能描述 |
|
1 |
OUT5 |
LED5輸出,低電平有效 |
|
2 |
OUT6 |
LED6輸出,低電平有效 |
|
3 |
OUT4 |
LED4輸出,低電平有效 |
|
4 |
GND |
電源負 |
|
5 |
OUT3 |
LED3輸出,低電平有效 |
|
6 |
OUT2 |
LED2輸出,低電平有效 |
|
7 |
OUT1 |
LED1輸出,低電平有效 |
|
8 |
VDD |
電源正 |
四、電路圖參考
五、封裝尺寸圖(SOP-8)
|
麗晶微芯片定制案例之遙控七彩潛水燈 深圳市某電子有限公司的李經理想開發一款遙控七彩閃燈IC芯片,用在戶外七彩潛水燈產品上面,之前李先生找到其他芯片定制的公司,未能達到理想的功能要求,后來找到了麗晶微電子。在業務與李經理的詳細溝通后了解到,其之前定制開發的樣品經測試,芯片靜態功耗太大.....查看詳情》》 |
|
麗晶微芯片定制案例之遙控電子蠟燭系列 惠州市某電子科技公司的劉經理想定制一批遙控電子蠟燭IC芯片,惠州市某電子公司專業研發生產銷售室內電子蠟燭,室外電子蠟燭,遙控定時電子蠟燭等多種電子蠟燭系列產品。隨著出口市場競爭壓力越來越大,劉經理在與多家芯片定制的公司合作后.....查看詳情》》 |
麗晶微創立于2002年,擁有一批技術精湛的的技術骨干,以及有著豐富經驗的電路設計團隊和專業創新能力高科技人才;工廠設備齊全,實力雄厚
研發團隊會根據您的需求,提供一整套按需定制的解決方案,在技術上保證產品品質、穩定性、可靠性,能更好的解決客戶產品遇到的技術服務問題
臺灣資深程序設計師全程電路設計,每一線路的放置都考慮他的穩定可靠性,內置多重電路保護,微安級別的待機功耗;同時與QVC、PLG、迪斯尼等代工廠的芯片材料供應商強強聯手
完善服務體系,高效,優質的為客戶提供全程技術跟蹤服務;7*24小時貼心服務,免費提供技術指導,幫助客戶解決產品問題,降低生產成本
深圳市麗晶微電子科技有限公司
作為早期成立的從事半導體器件設計制作的企業之一,專注從事模擬電路及數字模擬混合電路開發設計的高技術企業,
主要專業從事CMOS消費類IC:閃燈IC,音樂IC,語音IC,紅外線遙控類,LED控制類驅動類、電源管理類集
成電路產品以及MCU類的設計研發和銷售的企業,提供標準品類和客戶委托開發MASK.....
|
|