LP80329-0705D8 新版代替2D8D燈串IC 1、 輸入電壓3V,上電從第一段開始工作。 2、 四路LED輸出,一個按鍵控制,多功能閃爍,共八段,波形參照2D8D。 按按鍵,按一下改變一段變化,共有八段,功能如下:
LP80329-0705D8 新版代替2D8D燈串IC
1、 輸入電壓3V,上電從第一段開始工作。
2、 四路LED輸出,一個按鍵控制,多功能閃爍,共八段,波形參照2D8D。
按按鍵,按一下改變一段變化,共有八段,功能如下:
第一段:自動各種功能連續變化(即power on時) (Combination)
即由第二段到第七段功能自動變化
第二段:波浪式前進后退自動變化(二種速度變換) (In Waves)
第三段:跑馬式自動變化(四種速度變換) (Sequential)
第四段:單燈漸明漸暗自動變化(三種速度變換) (SLO-GLO)
第五段:跑馬式前進及后退,星星閃爍自動變化 (Chasing/Flash)
第六段:四燈同時漸明漸暗自動變化(三種速度變換) (Slow Fade)
第七段:星星閃爍跑馬式自動變化 (Twinkle/Flash)
第八段:LED固定不閃 (Steady On)
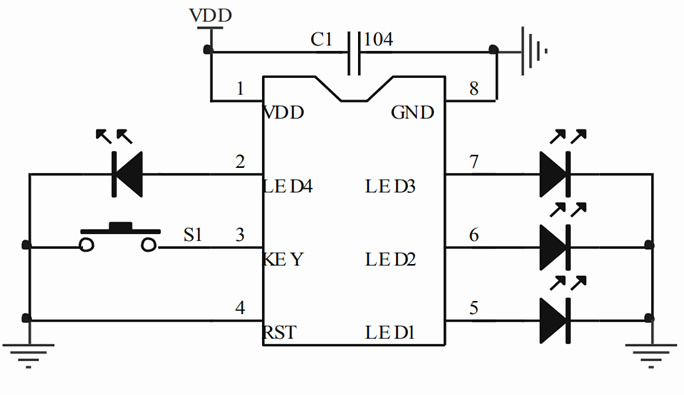
3、 參考電路:(新的IC腳位定義)
下面是 2D8D 芯片的腳位圖,LED 閃爍順序請按兩個芯片對應的腳位定義:
即 L1=LED1、L2=LED2、L3=LED3、L4=LED4。
深圳市麗晶微電子科技有限公司,專注于燈串IC,圣誕燈串驅動IC,LED燈串控制芯片,8功能燈串芯片,跑馬式燈串IC,燈串定時芯片,咨詢熱線:0755-29100085
|
麗晶微芯片定制案例之遙控七彩潛水燈 深圳市某電子有限公司的李經理想開發一款遙控七彩閃燈IC芯片,用在戶外七彩潛水燈產品上面,之前李先生找到其他芯片定制的公司,未能達到理想的功能要求,后來找到了麗晶微電子。在業務與李經理的詳細溝通后了解到,其之前定制開發的樣品經測試,芯片靜態功耗太大.....查看詳情》》 |
|
麗晶微芯片定制案例之遙控電子蠟燭系列 惠州市某電子科技公司的劉經理想定制一批遙控電子蠟燭IC芯片,惠州市某電子公司專業研發生產銷售室內電子蠟燭,室外電子蠟燭,遙控定時電子蠟燭等多種電子蠟燭系列產品。隨著出口市場競爭壓力越來越大,劉經理在與多家芯片定制的公司合作后.....查看詳情》》 |
麗晶微創立于2002年,擁有一批技術精湛的的技術骨干,以及有著豐富經驗的電路設計團隊和專業創新能力高科技人才;工廠設備齊全,實力雄厚
研發團隊會根據您的需求,提供一整套按需定制的解決方案,在技術上保證產品品質、穩定性、可靠性,能更好的解決客戶產品遇到的技術服務問題
臺灣資深程序設計師全程電路設計,每一線路的放置都考慮他的穩定可靠性,內置多重電路保護,微安級別的待機功耗;同時與QVC、PLG、迪斯尼等代工廠的芯片材料供應商強強聯手
完善服務體系,高效,優質的為客戶提供全程技術跟蹤服務;7*24小時貼心服務,免費提供技術指導,幫助客戶解決產品問題,降低生產成本
深圳市麗晶微電子科技有限公司
作為早期成立的從事半導體器件設計制作的企業之一,專注從事模擬電路及數字模擬混合電路開發設計的高技術企業,
主要專業從事CMOS消費類IC:閃燈IC,音樂IC,語音IC,紅外線遙控類,LED控制類驅動類、電源管理類集
成電路產品以及MCU類的設計研發和銷售的企業,提供標準品類和客戶委托開發MASK.....
|
|


