B6A8-5DC9汽車燈轉向燈IC 一.功能說明: 供電方式:DC12V 1、按下日行燈 KEY1,打開日行燈(LEDW) 2、按下KEY2,LED1~LED5跑馬燈閃爍 3、KEY1/KEY2同時按下,LED1~LED5跑馬燈閃爍
B6A8-5DC9汽車燈轉向燈IC
一.功能說明:
供電方式:DC12V
1、按下日行燈 KEY1,打開日行燈(LEDW)
2、按下KEY2,LED1~LED5跑馬燈閃爍
3、KEY1/KEY2同時按下,LED1~LED5跑馬燈閃爍
二.電氣參數(VDD=5.0V、TA=25℃)
|
參數 |
符號 |
最小值 |
典型值 |
最大值 |
單位 |
條件 |
|
工作電壓 |
VDD |
2.4 |
3.0 |
5.0 |
V |
Fcpu = 1MHz |
|
工作電流 |
IOP |
|
3 |
5 |
mA |
VDD=5V,3mA |
|
靜態電流 |
ISTB |
|
2 |
5 |
uA |
VDD=5.0V |
|
驅動電流低電平輸出 |
IOL |
|
15 |
|
mA |
VDD=5.0V,VOP=VSS+0.5V |
|
驅動電流高電平輸出 |
IOH |
|
10 |
|
mA |
VDD=5.0V,VOP=VDD-0.5V |
|
過VDD極限電流 |
IVDDmax |
|
|
60 |
mA |
|
|
過GND極限電流 |
IGNDmax |
|
|
60 |
mA |
|
|
工作溫度 |
TA |
-20 |
25 |
85 |
℃ |
|
|
儲存溫度 |
Tstg |
-40 |
25 |
125 |
℃ |
|
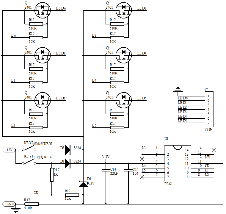
三.電路圖參考
四.封裝尺寸圖

五.版本說明
|
版本 |
日期 |
描述 |
|
B6A8-5DC9 |
2019-07-15 |
按原樣品程序 |
|
|
|
|
|
麗晶微芯片定制案例之遙控七彩潛水燈 深圳市某電子有限公司的李經理想開發一款遙控七彩閃燈IC芯片,用在戶外七彩潛水燈產品上面,之前李先生找到其他芯片定制的公司,未能達到理想的功能要求,后來找到了麗晶微電子。在業務與李經理的詳細溝通后了解到,其之前定制開發的樣品經測試,芯片靜態功耗太大.....查看詳情》》 |
|
麗晶微芯片定制案例之遙控電子蠟燭系列 惠州市某電子科技公司的劉經理想定制一批遙控電子蠟燭IC芯片,惠州市某電子公司專業研發生產銷售室內電子蠟燭,室外電子蠟燭,遙控定時電子蠟燭等多種電子蠟燭系列產品。隨著出口市場競爭壓力越來越大,劉經理在與多家芯片定制的公司合作后.....查看詳情》》 |
麗晶微創立于2002年,擁有一批技術精湛的的技術骨干,以及有著豐富經驗的電路設計團隊和專業創新能力高科技人才;工廠設備齊全,實力雄厚
研發團隊會根據您的需求,提供一整套按需定制的解決方案,在技術上保證產品品質、穩定性、可靠性,能更好的解決客戶產品遇到的技術服務問題
臺灣資深程序設計師全程電路設計,每一線路的放置都考慮他的穩定可靠性,內置多重電路保護,微安級別的待機功耗;同時與QVC、PLG、迪斯尼等代工廠的芯片材料供應商強強聯手
完善服務體系,高效,優質的為客戶提供全程技術跟蹤服務;7*24小時貼心服務,免費提供技術指導,幫助客戶解決產品問題,降低生產成本
深圳市麗晶微電子科技有限公司
作為早期成立的從事半導體器件設計制作的企業之一,專注從事模擬電路及數字模擬混合電路開發設計的高技術企業,
主要專業從事CMOS消費類IC:閃燈IC,音樂IC,語音IC,紅外線遙控類,LED控制類驅動類、電源管理類集
成電路產品以及MCU類的設計研發和銷售的企業,提供標準品類和客戶委托開發MASK.....
|
|
