深圳市麗晶微電子科技有限公司,專注于小夜燈IC芯片,RGB小夜燈芯片,漸明漸暗閃燈芯片,閃燈IC芯片方案,LED小夜燈芯片開發,小夜燈IC方案開發,小夜燈專用IC芯片。
LZ18123-0X9DC-0X1EB4 小夜燈芯片 20402 4LED
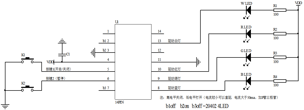
一、功能說明
1、 輸入電壓:電池3節AA,4.5V。
2、 兩個按鍵控制,K1是LED組合轉換開關,K2是閃爍控制開關。
3、 4路LED輸出,R、G、B、W。
4、 上電工作,R-B-G漸明漸暗閃爍,閃爍波形參考樣品。此時按K2,LED停止閃爍,HOLD功能,再按一次重新開始漸明漸暗。
此時按K1進行轉換組合模式,按鍵依次為:
1、關機,
2、白光漸明漸暗
3、關機,
4、紅藍漸明漸暗,
5、關機,
6、紅綠漸明漸暗
7、關機
8、藍綠漸明漸暗
9、關機
10、紅藍綠漸明漸暗
11、關機
按鍵依次循環,任何一檔漸明漸暗中按K2,LED停止閃爍,HOLD功能,再按一次重新開始漸明漸暗。
二、極限電氣參數
主控芯片工作電壓范圍是:DC2.2-5.5V
參數
符號
數據
單位
工作電壓
VDD
-0.3~6.0
V
輸入電壓
VIN
GND-0.3~VDD+0.3
V
工作溫度
TA
-40~85
℃
儲存溫度
Tstg
-65~150
℃
流過VDD最大電流
IVDDmax
50
mA
流過GND最大電流
IGNDmax
50
mA
三、直流電氣參數
主控芯片工作電壓是DC2.2-5.5V;VDD=5V,TA=25℃
特性
符號
引腳
條件
最小
典型
最大
單位
工作電壓
VDD
FCPU=0~9MHz(內部振蕩器)
3.6
-
5.5
V
工作電壓
VDD
FCPU=0~8MHz(內部振蕩器)
2.7
-
5.5
V
工作電壓
VDD
FCPU=0~4MHz(內部振蕩器)
2.2
-
5.5
V
工作電壓
VDD
FCPU=0~2MHz(內部振蕩器)
1.8
-
5.5
V
工作電壓
VDD
FCPU=0~1MHz(內部振蕩器)
1.8
-
5.5
V
工作電壓
VDD
FCPU=0~500KHz(內部振蕩器)
1.8
-
5.5
V
工作電壓
VDD
FCPU=0~455KHz/2(內部振蕩
器)
1.8
-
5.5
V
工作電壓
VDD
FCPU=0~32KHz(內部振蕩器)
1.6
-
5.5
V
輸入漏電
ILEAK
所有輸入腳
VIN=VDD,0
-1
-
1
uA
輸入高電平 0
VIH0
所有輸入腳
SMTEN=1,SMTSEL=1
VDD=5V
2
-
-
V
輸入高電平 0
VIH0
所有輸入腳
VDD=3V
1.6
-
-
V
輸入低電平 0
VIL0
所有輸入腳
SMTEN=1,SMTSEL=1
VDD=5V
-
-
0.8
V
輸入低電平 0
VIL0
所有輸入腳
VDD=3V
-
-
0.6
V
輸入高電平 1
VIH1
所有輸入腳
SMTEN=1,SMTSEL=0
VDD=5V/3V
0.8VDD
-
-
V
輸入低電平 1
VIL1
所有輸入腳
SMTEN=1,SMTSEL=0
VDD=5V/3V
-
-
0.2VDD
V
輸入高電平 2
VIH2
所有輸入腳
SMTEN=0,SMTSEL=X
VDD=5V
2
-
-
V
輸入高電平 2
VIH2
所有輸入腳
VDD=3V
1.5
-
-
V
輸入低電平 2
VIL2
所有輸入腳
SMTEN=0,SMTSEL=X
-
-
1.0
V
輸出高電平
驅動電流
IOH
所有輸出腳
VOH=VDD-0.7V,VDD=5V
6
-
-
mA
輸出低電平
驅動電流
IOL
所有輸出腳
VOL=0.7V,VDD=5V
10
-
-
mA
靜態功耗 1
ISB1
VDD
關 LVR、LVD,關 WDT
-
0.1
1
uA
靜態功耗 2
ISB2
VDD
關 LVR,開 LVD,關 WDT
-
7
30
uA
靜態功耗 3
ISB3
VDD
開 LVR,關 LVD,關 WDT
-
7
30
uA
靜態功耗 4
ISB4
VDD
開 LVR、LVD,關 WDT
-
7
30
uA
靜態功耗 5
ISB5
VDD
關 LVR、LVD,開 WDT,VDD=5V
-
0.9
3
uA
靜態功耗 5
ISB5
VDD
關 LVR、LVD,開 WDT,VDD=3V
-
0.3
2
uA
靜態功耗 6
ISB6
VDD
關 LVR、LVD,RTC 模式,VDD=5V
-
10
20
uA
靜態功耗 6
ISB6
VDD
關 LVR、LVD,RTC 模式,VDD=3V
-
3.3
7
uA
動態功耗
IDD
VDD
FCPU=8MHz@HIRC=16M/2T
-
2
-
mA
動態功耗
IDD
VDD
FCPU=8MHz@XT=16M/2T
-
2.5
-
mA
動態功耗
IDD
VDD
FCPU=4MHz@HIRC=8M/2T
-
1
-
mA
動態功耗
IDD
VDD
FCPU=4MHz@XT=8M/2T
-
1.5
-
mA
動態功耗
IDD
VDD
FCPU=2MHz@HIRC=4M/2T
-
550
-
uA
動態功耗
IDD
VDD
FCPU=2MHz@XT=4M/2T
-
1.2
-
mA
動態功耗
IDD
VDD
FCPU=1MHz@HIRC=2M/2T
-
300
-
uA
動態功耗
IDD
VDD
FCPU=500KHz@HIRC=1M/2T
-
250
-
uA
動態功耗
IDD
VDD
FCPU=455KHz/2T@HIRC=455K
-
220
-
uA
動態功耗
IDD
VDD
FCPU=455KHz/2T@XT=455K
-
350
-
uA
動態功耗
IDD
VDD
開低功耗,開 LVR、LVD,
FCPU=LIRC/2T,VDD=5V
-
9.2
-
uA
動態功耗
IDD
VDD
開低功耗,開 LVR、LVD,
FCPU=LIRC/2T,VDD=3V
-
7.2
-
uA
動態功耗
IDD
VDD
開低功耗,開 LVR、LVD,
FCPU=FLEXT32K/2T,VDD=5V
-
22.2
-
uA
動態功耗
IDD
VDD
開低功耗,開 LVR、LVD,FCPU=
FLEXT32K/2T,VDD=3V
-
9.2
-
uA
四、參考電路圖:
五、版本說明
|
版本 |
日期 |
描述 |
|
LZ18123-0X9DC-0X1EB4 |
2018/7/28 |
初版 |
|
|
|
深圳市麗晶微電子科技有限公司,專注于小夜燈IC芯片,RGB小夜燈芯片,漸明漸暗閃燈芯片,閃燈IC芯片方案,LED小夜燈芯片開發,小夜燈IC方案開發,小夜燈專用IC芯片。更多產品請咨詢:0755-29100085
|
麗晶微芯片定制案例之遙控七彩潛水燈 深圳市某電子有限公司的李經理想開發一款遙控七彩閃燈IC芯片,用在戶外七彩潛水燈產品上面,之前李先生找到其他芯片定制的公司,未能達到理想的功能要求,后來找到了麗晶微電子。在業務與李經理的詳細溝通后了解到,其之前定制開發的樣品經測試,芯片靜態功耗太大.....查看詳情》》 |
|
麗晶微芯片定制案例之遙控電子蠟燭系列 惠州市某電子科技公司的劉經理想定制一批遙控電子蠟燭IC芯片,惠州市某電子公司專業研發生產銷售室內電子蠟燭,室外電子蠟燭,遙控定時電子蠟燭等多種電子蠟燭系列產品。隨著出口市場競爭壓力越來越大,劉經理在與多家芯片定制的公司合作后.....查看詳情》》 |
麗晶微創立于2002年,擁有一批技術精湛的的技術骨干,以及有著豐富經驗的電路設計團隊和專業創新能力高科技人才;工廠設備齊全,實力雄厚
研發團隊會根據您的需求,提供一整套按需定制的解決方案,在技術上保證產品品質、穩定性、可靠性,能更好的解決客戶產品遇到的技術服務問題
臺灣資深程序設計師全程電路設計,每一線路的放置都考慮他的穩定可靠性,內置多重電路保護,微安級別的待機功耗;同時與QVC、PLG、迪斯尼等代工廠的芯片材料供應商強強聯手
完善服務體系,高效,優質的為客戶提供全程技術跟蹤服務;7*24小時貼心服務,免費提供技術指導,幫助客戶解決產品問題,降低生產成本
深圳市麗晶微電子科技有限公司
作為早期成立的從事半導體器件設計制作的企業之一,專注從事模擬電路及數字模擬混合電路開發設計的高技術企業,
主要專業從事CMOS消費類IC:閃燈IC,音樂IC,語音IC,紅外線遙控類,LED控制類驅動類、電源管理類集
成電路產品以及MCU類的設計研發和銷售的企業,提供標準品類和客戶委托開發MASK.....
|
|


