EC90809-9C06長按 1 秒開機延時2秒關機 一.功能說明 供電方式:DC5V-8.4V,通過LDO降壓至3.3V給芯片供電。芯片工作電壓2.2V-5.5V(fcpu=1MHZ)。一個輸入開關對地觸發控制一路輸出。 上電輸出低電平,長按1秒開機(檢測到下降沿,保持輸入低電平≥1秒,才能開機)輸出2秒高電平,2秒后翻轉為低電平,中途觸發無效。 注:開關機條件是檢測到下降沿,且輸入低電平持續一秒鐘,如果沒有檢測到下降沿,輸入是低,即使保持1秒以上,輸出不會出現變化。
EC90809-9C06長按1秒開機延時2秒關機
一、功能說明
供電方式:DC5V-8.4V,通過LDO降壓至3.3V給芯片供電。芯片工作電壓2.2V-5.5V(fcpu=1MHZ)。一個輸入開關對地觸發控制一路輸出。
上電輸出低電平,長按1秒開機(檢測到下降沿,保持輸入低電平≥1秒,才能開機)輸出2秒高電平,2秒后翻轉為低電平,中途觸發無效。
注:開關機條件是檢測到下降沿,且輸入低電平持續一秒鐘,如果沒有檢測到下降沿,輸入是低,即使保持1秒以上,輸出不會出現變化。
時序圖如下:
二.極限參數
Absolute Maximum Ratings
Voltage applied at VDD to VSS .........................................................................................- 0.3V to 6.0V
Voltage applied at any pin to VSS............................................................................- 0.3V to VDD+0.3V
Operating ambient temperature.......................................................................................-40°C to 85°C
Storage ambient temperature ....................................................................................... -40°C to 125°C
三.電氣參數
|
參數 |
符號 |
最小值 |
典型值 |
最大值 |
單位 |
條件 |
|
工作電壓 |
VDD |
2.4 |
3.0 |
5.0 |
V |
Fcpu = 1MHz |
|
工作電流 |
IOP |
|
2.5 |
|
mA |
VDD=5V,3mA |
|
靜態電流 |
ISTB |
|
5 |
|
uA |
VDD=5.0V |
|
驅動電流低電平輸出 |
IOL |
|
15 |
|
mA |
VDD=5.0V, |
|
驅動電流高電平輸出 |
IOH |
|
10 |
|
mA |
VDD=5.0V, |
|
工作溫度 |
TA |
-40 |
25 |
85 |
℃ |
|
|
儲存溫度 |
Tstg |
-40 |
25 |
125 |
℃ |
|
四.封裝腳位圖
|
管腳號 |
符號 |
功能描述 |
|
1 |
VDD |
電源正 |
|
2 |
NC |
懸空 |
|
3 |
KEY |
觸發開關 |
|
4 |
NC |
懸空 |
|
5 |
NC |
懸空 |
|
6 |
OUT |
輸出高電平有效 |
|
7 |
NC |
懸空 |
|
8 |
GND |
電源負 |
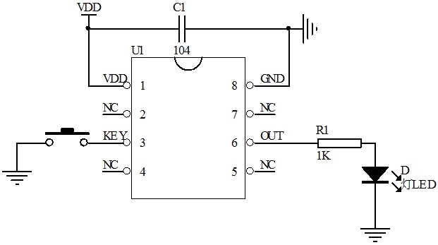
五.電路圖參考
接LED電路
六.封裝尺寸圖
七.版本說明
|
版本 |
日期 |
描述 |
|
EC90809 |
2019/8/14 |
V01初版 |
|
EC90809-9C06 |
2019/8/20 |
V02改第6腳輸出 |
深圳市麗晶微電子科技有限公司,專注于長按開關機芯片,延時2秒開關芯片,低功耗延時IC,單片機芯片方案開發,咨詢熱線:0755-29100085
|
麗晶微芯片定制案例之遙控七彩潛水燈 深圳市某電子有限公司的李經理想開發一款遙控七彩閃燈IC芯片,用在戶外七彩潛水燈產品上面,之前李先生找到其他芯片定制的公司,未能達到理想的功能要求,后來找到了麗晶微電子。在業務與李經理的詳細溝通后了解到,其之前定制開發的樣品經測試,芯片靜態功耗太大.....查看詳情》》 |
|
麗晶微芯片定制案例之遙控電子蠟燭系列 惠州市某電子科技公司的劉經理想定制一批遙控電子蠟燭IC芯片,惠州市某電子公司專業研發生產銷售室內電子蠟燭,室外電子蠟燭,遙控定時電子蠟燭等多種電子蠟燭系列產品。隨著出口市場競爭壓力越來越大,劉經理在與多家芯片定制的公司合作后.....查看詳情》》 |
麗晶微創立于2002年,擁有一批技術精湛的的技術骨干,以及有著豐富經驗的電路設計團隊和專業創新能力高科技人才;工廠設備齊全,實力雄厚
研發團隊會根據您的需求,提供一整套按需定制的解決方案,在技術上保證產品品質、穩定性、可靠性,能更好的解決客戶產品遇到的技術服務問題
臺灣資深程序設計師全程電路設計,每一線路的放置都考慮他的穩定可靠性,內置多重電路保護,微安級別的待機功耗;同時與QVC、PLG、迪斯尼等代工廠的芯片材料供應商強強聯手
完善服務體系,高效,優質的為客戶提供全程技術跟蹤服務;7*24小時貼心服務,免費提供技術指導,幫助客戶解決產品問題,降低生產成本
深圳市麗晶微電子科技有限公司
作為早期成立的從事半導體器件設計制作的企業之一,專注從事模擬電路及數字模擬混合電路開發設計的高技術企業,
主要專業從事CMOS消費類IC:閃燈IC,音樂IC,語音IC,紅外線遙控類,LED控制類驅動類、電源管理類集
成電路產品以及MCU類的設計研發和銷售的企業,提供標準品類和客戶委托開發MASK.....
|
|
