電子蠟燭芯片方案;EC241112-1B2F-995B 8鍵遙控蠟燭芯片 供電方式:DC4.5V AA*3干電池。三檔撥動開關:ON-OFF-TIMER和紅外遙控輸入控制兩路LED低電平輸出:1路蠟燭閃(閃法參考樣品)、1路常亮。上電工作兩組LED亮。晶振壞或無晶振,上電LED先滅2秒再起來跑內頻。 OFF檔:斷電源,IC不工作。 ON檔:無定時一直工作。遙控有效,觸發遙控后以遙控為準。 TIMER檔:6開-18關,24小時循環定時。遙控有效,觸發遙控后以遙控為準。 遙控器功能: ON鍵:開啟LED。重復按有閃一下提示。定時狀態下按ON鍵取消定時。 OFF鍵:關閉LED。短按一下關閉LED和定時。OFF狀態下只有ON鍵有效。定時待機狀態下按OFF鍵,有閃一下提示,并關閉LED。
EC241112-1B2F-995B 8鍵遙控蠟燭芯片
一、功能說明
供電方式:DC4.5V AA*3干電池。三檔撥動開關:ON-OFF-TIMER和紅外遙控輸入控制兩路LED低電平輸出:1路蠟燭閃(閃法參考樣品)、1路常亮。上電工作兩組LED亮。晶振壞或無晶振,上電LED先滅2秒再起來跑內頻。
OFF檔:斷電源,IC不工作。
ON檔:無定時一直工作。遙控有效,觸發遙控后以遙控為準。
TIMER檔:6開-18關,24小時循環定時。遙控有效,觸發遙控后以遙控為準。
遙控器功能:
ON鍵:開啟LED。重復按有閃一下提示。定時狀態下按ON鍵取消定時。
OFF鍵:關閉LED。短按一下關閉LED和定時。OFF狀態下只有ON鍵有效。定時待機狀態下按OFF鍵,有閃一下提示,并關閉LED。
2H鍵:2開-22關定時。工作2小時待機22小時24小時循環工作。重復按有閃一下提示并重新定時。
4H鍵:4開-20關定時。工作4小時待機20小時24小時循環工作。重復按有閃一下提示并重新定時。
6H鍵:6開-18關定時。工作6小時待機18小時24小時循環工作。重復按有閃一下提示并重新定時。
8H鍵:8開-16關定時。工作8小時待機16小時24小時循環工作。重復按有閃一下提示并重新定時。
Candle鍵:蠟燭閃。短按一下進入蠟燭閃模式,有閃一下提示。短按此鍵不影響定時。
Light鍵:常亮。短按一下進入常亮模式,有閃一下提示。短按此鍵不影響定時。

二、電氣參數(VDD=5.0V TA=25℃)
工作電壓:2.4V-5.0V;
工作電流:0.6mA;
靜態電流:5uA;超低功耗
驅動電流:30mA;可以外加驅動
工作頻率:1MHZ;
工作溫度:-10攝氏度-+60攝氏度;
儲存溫度:-20攝氏度-+100攝氏度;
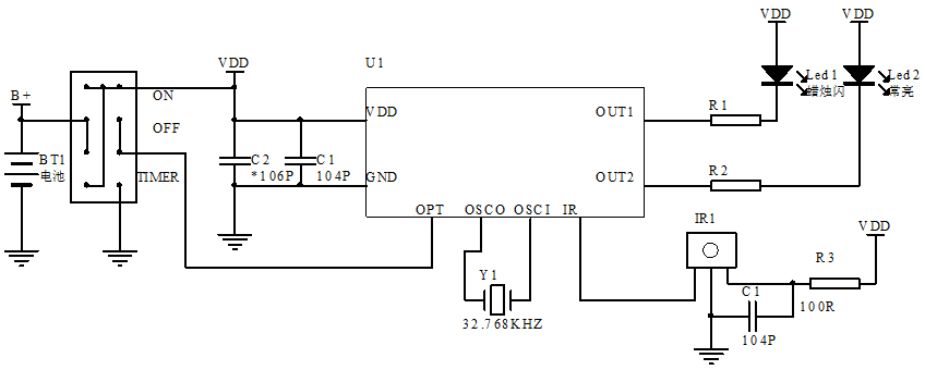
三、電路圖參考:
四、封裝尺寸圖:
五.版本說明:
版本
日期
描述
EC241112-19D2-995B
2024/11/22
V01初版
EC241112-1B2F-995B
2024/12/3
V02微調定時
|
麗晶微芯片定制案例之遙控七彩潛水燈 深圳市某電子有限公司的李經理想開發一款遙控七彩閃燈IC芯片,用在戶外七彩潛水燈產品上面,之前李先生找到其他芯片定制的公司,未能達到理想的功能要求,后來找到了麗晶微電子。在業務與李經理的詳細溝通后了解到,其之前定制開發的樣品經測試,芯片靜態功耗太大.....查看詳情》》 |
|
麗晶微芯片定制案例之遙控電子蠟燭系列 惠州市某電子科技公司的劉經理想定制一批遙控電子蠟燭IC芯片,惠州市某電子公司專業研發生產銷售室內電子蠟燭,室外電子蠟燭,遙控定時電子蠟燭等多種電子蠟燭系列產品。隨著出口市場競爭壓力越來越大,劉經理在與多家芯片定制的公司合作后.....查看詳情》》 |
麗晶微創立于2002年,擁有一批技術精湛的的技術骨干,以及有著豐富經驗的電路設計團隊和專業創新能力高科技人才;工廠設備齊全,實力雄厚
研發團隊會根據您的需求,提供一整套按需定制的解決方案,在技術上保證產品品質、穩定性、可靠性,能更好的解決客戶產品遇到的技術服務問題
臺灣資深程序設計師全程電路設計,每一線路的放置都考慮他的穩定可靠性,內置多重電路保護,微安級別的待機功耗;同時與QVC、PLG、迪斯尼等代工廠的芯片材料供應商強強聯手
完善服務體系,高效,優質的為客戶提供全程技術跟蹤服務;7*24小時貼心服務,免費提供技術指導,幫助客戶解決產品問題,降低生產成本
深圳市麗晶微電子科技有限公司
作為早期成立的從事半導體器件設計制作的企業之一,專注從事模擬電路及數字模擬混合電路開發設計的高技術企業,
主要專業從事CMOS消費類IC:閃燈IC,音樂IC,語音IC,紅外線遙控類,LED控制類驅動類、電源管理類集
成電路產品以及MCU類的設計研發和銷售的企業,提供標準品類和客戶委托開發MASK.....
|
|
