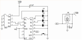
帶記憶的遙控 光控七彩閃燈IC芯片,主控IC輸入電壓2.2-5.5V,紅外遙控控制,有光電感
應功能,見光不亮,沒有光時自動工作,LED工作模式有斷電記憶功能。還有一個手動控制按
鍵,功能同遙控器,有4路輸出,分別是白色,紅色,藍色,綠色LED。
1.2V可充電池,白天太陽能充電不工作,晚上才工作,白天按手動按鍵和遙控器都沒作用。
產品在晚上會自動初始開機為默認為斷電前的工作模式,就是有斷電記憶功能。LED共有6個工
作模式,模式如下:產品在關機不工作的時候,
第1次按遙控器按鍵(或者產品上按鈕)LED燈顏色為白色。
第2次按遙控器按鍵(或者產品上按鈕)LED燈顏色為紅色。
第3次按遙控器按鍵(或者產品上按鈕)LED燈顏色為綠色)。
第4次按遙控器按鍵(或者產品上按鈕)LED燈顏色為藍色 。
第5次按遙控器按鍵(或者產品上按鈕)4種顏色(白、紅、綠、藍,每10秒鐘轉變顏色)變化。
第6次按遙控器按鍵(或者產品上按鈕)LED都不工作,產品關機。
深圳市麗晶微電子科技,15年來,專注于定時IC芯片,閃燈IC芯片,觸摸IC芯片和小家電
類產品IC芯片的方案定制。公司開發的循環定時芯片大量應用于電子蠟燭燈產品,開發的多款
觸摸開關電路板,觸摸調光電路板,觸摸臺燈PCBA,被客戶廣泛用于觸摸臺燈和觸摸LED化妝鏡
的生產中。咨詢電話:0755-29100085。

電位器調光板,旋鈕調光控制板
雙色溫臺燈線路板
循環定時蠟燭芯片,8小時開16小時關
電話咨詢
產品中心
聯系麗晶微
網站地圖