服務熱線:
0755- 29100085
傳真:0755- 29100092
手機:18922800392
服務郵箱:szecm@163.com
地址:深圳市寶安區沙井新橋街道上星路萬科星城商業中心2棟寫字樓402-405室

EH3B02-13C8-2F65震動常亮RGB鞋燈芯片以其精巧的設計與高效的功能脫穎而出。這款采用SOT23-6封裝的微型芯片,專為LED鞋燈和震動觸發類電子玩具方案打造,集低功耗、多色變換與智能控制于一體,成為消費電子領域創新應用的理想選擇。
查看詳情
ECJ231038-3D1E-E5BB頭盔閃燈芯片是一款專為戶外安全警示設計的智能控制集成電路,其創新性的多模式燈光控制和高效能特性在個人防護裝備領域具有廣泛應用前景。該芯片采用SOP-14封裝,體積小巧卻功能強大,為頭盔燈、夾帽燈及自行車尾燈等安全警示設備提供了完整的解決方案。
查看詳情
在當今電子玩具和創意照明領域,H2B25-3ECD-2FA3鞋燈閃燈芯片以其獨特的性能和精巧的設計脫穎而出。這款芯片專為低功耗場景設計,采用DC3.0V紐扣電池供電,靜態電流僅3μA,工作電流300μA,實現了超低能耗與高效運行的完美平衡。其SOT23-6小封裝形式特別適合空間受限的應用場景,如兒童閃光鞋、電子玩具裝飾燈等需要微型化組件的產品。
查看詳情
EC105C-06閃燈芯片是一款采用CMOS工藝制造的微型控制芯片,以其超低功耗和靈活的控制方式在LED驅動領域展現出獨特優勢。這款SOT23-6封裝的芯片雖然體積小巧,卻集成了智能控制邏輯和高效驅動能力,特別適合便攜式設備、裝飾照明和指示類產品的應用場景。
查看詳情
肩燈指示燈芯片方案開發 肩燈的特點:1、體積小;2、重量輕;3、攜帶便捷; 選購警用肩燈時一定要選擇耗電小,帶電量大的的肩燈。否則頻繁的充放電,需要警務人員耗費極大的精力去用于充電,會降低工作效率,而且很可能發生關鍵時刻表無法使用的情景,嚴重影響警務人員的正常工作。本廠經過多年積累的經驗,研發出的肩燈產品具有:設計人性化,充分考慮到警用肩燈佩戴時間長的因素,產品設計體積小,重量輕,堅固耐用,背夾夾力輕等特點
查看詳情
紅外遙控流水閃燈IC芯片,工作電壓2.4-5.5V,控制分接收和發射兩部分。一直工作,沒有定 時功能。閃燈IC共有7路LED燈輸出,有常亮和閃爍兩種工作模式。上電LED常亮工作,這時按 ON按鍵L1-L7 流水閃,再按ON按鍵,LED常亮,如此循環。
查看詳情
紅外遙控七彩閃燈IC芯片,工作電壓2.4-5.5V,具有有多樣功能變化的七彩閃燈IC芯片。 44鍵紅外遙控器遙控,遙控距離遠、靈敏度高。閃燈IC 閃爍多樣性,有七彩閃爍,七彩 漸明漸暗,紅綠藍跑馬閃等。用戶碼:00FF。上電工作,帶有斷電記憶功能。
查看詳情
紅外遙控七彩潛水燈IC芯片,工作電壓2.4-5.5V,是一款多樣變化的七彩閃燈IC芯片。 21鍵紅外遙控器遙控,遙控距離遠、靈敏度高。閃燈IC 閃爍多樣性,有七彩閃爍,七 彩漸明漸暗,紅綠藍跑馬閃等。
查看詳情
觸發按鍵八段七彩閃燈IC芯片,閃燈芯片工作電壓2.4-5.5V。這顆芯片采用松翰單片機作為母體, 抗干擾性強,工作穩定性好,輸入電源可 DC電壓輸入。當輸入電壓高于閃燈IC 的工作電壓范圍 時,需要在輸入端加一個5V內的穩壓IC芯片。
查看詳情
EC360A-02是一款6小時-18小時循環定時RGB七彩閃燈芯片,24小時專用循環定時IC芯片,工作電 壓2.4V-5.5V,采用32.768KHZ晶振振蕩,上電一直工作, L1-L2-L3 是3燈順閃,L4-L5-L6 是3 燈 漸明漸暗。K2 是 ON/OFF 模式選擇腳,懸空是正常的上電定時工作模式,接 VSS 是 ON/OFF功能, 長按KEY(ON/OFF)鍵可以進入定時工作。
查看詳情
9EF1/CE29 循環定時跑馬閃燈IC芯片,工作電壓:2.6-5.5V,10路LED輸出,2路閃爍輸出, 8路模式指示燈,上電不工作。有兩個按鍵分別控制輸出模式和定時模式,K2是定時按鍵, 按第1下是不定時模式,按第2下定時亮6H/滅18H, 按第3下定時12H/滅12H,按第4下OFF, 所有燈滅。不同的定時模式下,對應的指示燈亮。
查看詳情
紅外遙控呼吸閃燈IC芯片,工作電壓 DC=2.4-5.5V。芯片上電不工作,共有三路0.5W的白光LED輸 出:定義為LED1、LED2、LED3。此閃燈IC是紅外遙控控制,按遙控ON鍵打開,初始打開工作方式 是SMOOTH模式。閃燈芯片工作電流小,靜態功耗低。
查看詳情
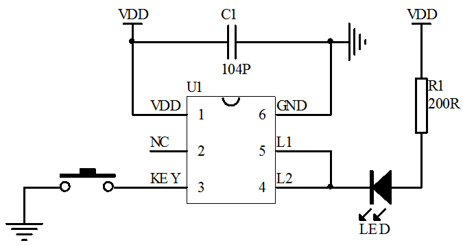
ECC61121-1BB2是一款60秒延時閃燈IC芯片,芯片工作電壓2.4-5.5V,共有兩路LED輸出,一上電 就工作,LED閃爍,工作60秒自動停止工作。有一個按鍵控制,觸發一下重新工作60秒停,工作中觸 發無效,靜態功耗低,只有5UA左右。
查看詳情
9EF1/CE29是一款觸發按鍵循環定時七彩閃燈IC芯片,工作電壓:2.4-5.5V,共10路LED輸出,2路閃爍輸出, 8路模式指示燈。定時芯片上電不工作,有兩個按鍵分別控制輸出模式和定時模式,K2是定時按鍵,按第1下 是不定時模式,按第2下定時亮6H/滅18H, 按第3下定時12H/滅12H,按第4下OFF,所有燈滅。不同的定時 模式下,對應的指示燈亮。
查看詳情
4小時-20小時遙控定時七彩燈IC芯片,18鍵遙控循環定時功能,輸入電壓2.4--5.5V,SOP-8封裝。上電工作,默認七彩漸 變功能。LED滅的時候,只有ON鍵可以遙控,在LED亮的時候,按18鍵中的任意一鍵,LED閃一下,閃 的時間大約64ms。
查看詳情
18鍵遙控循環定時七彩燈IC芯片,輸入電壓2.4--5.5V,SOP-8封裝。上電工作,默認七彩漸變功能。 LED滅的時候,只有ON鍵可以遙控,在LED亮的時候,按18鍵中的任意一鍵,LED閃一下,閃的時 間大約64ms。
查看詳情
9EF1/CE29 循環定時七彩閃燈IC芯片,工作電壓:2.6-5.5V,10路LED輸出,2路閃爍輸出, 8路模式指示燈,上電不工作。有兩個按鍵分別控制輸出模式和定時模式,K2是定時按鍵,按 第1下是不定時模式,按第2下定時亮6H/滅18H, 按第3下定時12H/滅12H,按第4下OFF,所有燈滅。 不同的定時模式下,對應的指示燈亮。
查看詳情
帶記憶的遙控 光控七彩閃燈IC芯片,主控IC輸入電壓2.2-5.5V,紅外遙控控制,有光電感 應功能,見光不亮,沒有光時自動工作,LED工作模式有斷電記憶功能。還有一個手動控 制按鍵,功能同遙控器,有4路輸出,分別是白色,紅色,藍色,綠色LED。
查看詳情
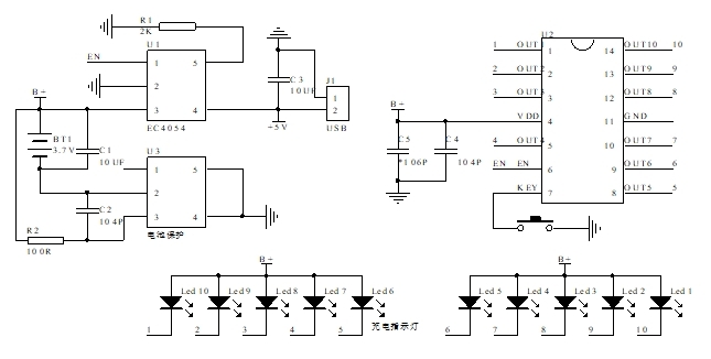
主控閃燈芯片上電不工作,進入待機狀態。輸入電壓DC=3.7V,4000MA鋰電池供電,充電電 壓5V ,有充電指示和充電、放電保護,充電時紅燈亮,充滿綠燈亮。共6路LED輸出,1小時延 時功能,工作中不觸發按鍵,馬達和燈1小時以后自動關閉,觸發按鍵重新計時。
查看詳情
浴室鏡觸摸開關用什么樣的方案比較穩定
浴室鏡觸摸開關用什么樣的方案比較穩定
浴室鏡觸摸開關用什么樣的方案比較穩定 隨著智能產業的發展,從智能手機、智能電視、智能手表到智能鏡等等,真正將科技融入生活。而衛浴鏡加入智能觸摸開關技術也成為現下流行的產品,外觀時尚簡約、功能親和使用,集高關注、防水、除霧等眾多優勢于一身。 【更多詳情】