2017-08-31 09:34:26
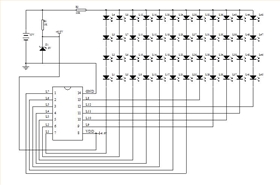
EC840是一款專用的追尾式流星雨閃燈IC芯片。工作電壓2.4-5.5V,采用CMOS工藝,自身功耗低, 工作電壓寬,抗干擾能力強。
這款閃燈芯片外接LED燈串時,根據燈串電壓要適當改動芯片電源電壓值,當電壓高于5.5V 時, 要加一個穩壓芯片,進行降壓穩壓。閃燈IC上電就工作,自動閃爍,有多種變化方式,變化頻率 芯片內部設定。外圍電路簡單,共有12路LED輸出。
1/5
按鍵5秒定時IC芯片紅外遙控噴泉燈 5小時-19小時循環定時芯片6小時-18小時循環定時水燈蠟燭IC芯片12小時-12小時循環定時芯片4段按鍵調光IC芯片
電位器調光板,旋鈕調光控制板雙色溫臺燈線路板
循環定時蠟燭芯片,8小時開16小時關
我國集成電路產業銷售額不斷擴大第六屆中國IC創新高峰論壇在松山湖舉辦國家集成電路產業投資基金投資運營順利芯片價值驚人 我國亟待擺脫進口依賴三星計劃與中國合作共同開拓國內芯片市場
返回頂部