EH5202-51AE-2931長按5秒開關機芯片,作為一款專為電子設備設計的電源管理解決方案,以其獨特的功能特性和穩定的電氣性能,在眾多應用領域中脫穎而出。本文將詳細介紹該芯片的功能說明、電氣參數及其在實際應用中的優勢,旨在幫助工程師和開發者更好地理解和應用這款芯片。
一、功能說明
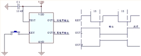
EH5202-51AE-2931一鍵開關機專用芯片的工作電壓范圍廣泛,覆蓋了DC2.0V至DC3.6V,這使得它適用于多種低功耗電子設備。該芯片采用了一路輕觸開關控制設計,用戶只需通過一個簡單的按鈕操作,即可實現對設備的開關機控制。這一設計不僅簡化了用戶操作,還提高了設備的易用性。
芯片具有兩路輸出(OUTH和OUTL),在上電初始狀態下,OUTH輸出低電平,OUTL輸出高電平,表示設備處于待機或關機狀態。當用戶長按按鍵達到5秒時,芯片將觸發開機動作,此時OUTH輸出高電平,OUTL輸出低電平,設備進入工作狀態。同樣地,當用戶再次長按按鍵5秒時,芯片將執行關機操作,輸出電平翻轉回初始狀態,即OUTH輸出低電平,OUTL輸出高電平。這種長按開關機的設計,有效避免了誤操作,提高了設備的穩定性。
二、電氣參數詳解
在VDD=3.0V、TA=25℃的標準測試條件下,EH5202-51AE-2931芯片的電氣參數表現如下:
**工作電壓**:2.4V至3.6V的寬電壓范圍,使得芯片能夠適應不同電壓等級的電源供應,提高了設備的兼容性和靈活性。
**工作電流**與**靜態電流**均為5uA,這表明芯片在待機或工作狀態下均具有極低的功耗,非常適合用于低功耗電子設備中。
**驅動電流**方面,低電平輸出為14mA,高電平輸出為6mA,這足以驅動大多數小型電子元件或負載,滿足設備的基本需求。
**過VDD極限電流**與**過GND極限電流**均為50mA,這一設計有效保護了芯片免受過大電流的沖擊,提高了芯片的可靠性和使用壽命。
**工作溫度**范圍為-20℃至+80℃,**儲存溫度**范圍為-40℃至+125℃,這確保了芯片能夠在各種極端環境下正常工作,拓寬了設備的應用場景。
三、實際應用中的優勢
EH5202-51AE-2931芯片在實際應用中展現出了諸多優勢:
1. **低功耗設計**:極低的工作電流和靜態電流,使得采用該芯片的設備能夠長時間待機而不消耗過多電量,延長了設備的續航時間。
2. **穩定的開關機控制**:長按5秒的開關機設計,有效避免了誤操作,提高了設備的穩定性和用戶體驗。
3. **寬電壓范圍**:適應不同電壓等級的電源供應,使得芯片能夠廣泛應用于各種電子設備中,提高了設備的兼容性。
4. **保護機制完善**:具有過電流保護功能,能夠有效保護芯片免受過大電流的沖擊,提高了芯片的可靠性和使用壽命。
5. **易于集成**:芯片體積小、封裝簡單,易于與其他電子元器件集成,降低了設備的開發難度和成本。
四、典型應用場景
EH5202-51AE-2931電子開關芯片因其獨特的功能和穩定的性能,在多個領域具有廣泛的應用前景:
**智能家居設備**:如智能插座、智能燈泡等,通過長按開關機功能,用戶可以方便地控制設備的開關狀態,實現智能家居的便捷管理。
**便攜式電子設備**:如智能手表、藍牙耳機等,低功耗設計使得這些設備能夠長時間待機而不影響用戶體驗。
**工業控制設備**:在一些需要長時間穩定運行且對功耗要求較高的工業控制場景中,該芯片能夠發揮重要作用。
**醫療設備**:在醫療設備中,穩定的開關機控制和低功耗設計能夠確保設備的可靠性和安全性。
五、結論
綜上所述,EH5202-51AE-2931長按5秒開關機芯片一鍵開關機專用芯片以其獨特的功能特性、穩定的電氣性能以及廣泛的應用前景,在電子設備領域中具有不可替代的地位。通過深入了解該芯片的功能說明和電氣參數,工程師和開發者能夠更好地將其應用于實際項目中,為設備提供穩定、可靠的電源管理解決方案。未來,隨著電子技術的不斷發展,EH5202-51AE-2931芯片有望在更多領域發揮重要作用,為人們的生活和工作帶來更多便利。

電位器調光板,旋鈕調光控制板
雙色溫臺燈線路板
循環定時蠟燭芯片,8小時開16小時關
電話咨詢
產品中心
聯系麗晶微
網站地圖