一、功能及應用 EC340EGC 定時器芯片
CMOS 制造工藝,低功耗工作電壓:2.0-4.8V。一個按鍵輸入控制,一路電平信號輸出。
上電不工作OUT高電平,短按下輸出低電平開始計時。計時結束后反轉為高電平,計時過程中觸發無效。
若按鍵KEY直接接地,則上電計時輸出低電平,計時結束后輸出反轉為高電平。
計時時間可用振蕩電阻調整,當振蕩腳OSCR--OSCO電阻值為零時,計時時間為1.5秒-2.0秒(根據電壓不同差異),有不同計時模式選擇。
備注:一般不建議使用振蕩電阻極限狀態。
二、電氣參數 (VDD=3.0V,GND=0V,Ta=25℃)
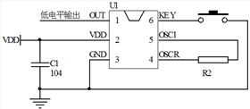
三、參考電路圖
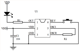
參考電路圖二(SOT23-6):推LED
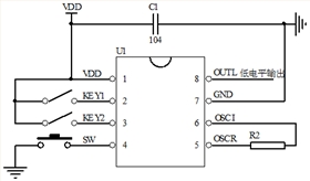
參考電路圖三(SOP-8)
以上電路僅供參考,如有修改,恕不另行通知!
四、外接電阻頻率測試參數
用戶應用時因生產批不同、VDD電壓不一致、振蕩電阻差異、負載等因素,定時時間會有變化。不建議振蕩頻率超出6KHz-600KHz,振蕩頻率在極限狀態可能會使振蕩不穩定。
R2時間選擇方法:
定時模式選擇說明:
五、封裝腳位圖(SOT23-6)
六、PIN腳功能描述(SOT23-6)
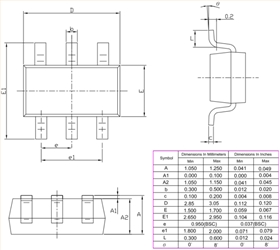
七、封裝尺寸圖(SOT23-6)



紅外線遙控8小時延時IC芯片
20分鐘燈串定時芯片
12鍵遙控定時IC芯片
觸發15秒定時IC芯片
5分鐘燈串定時IC
臺燈循環定時器IC芯片
1-2-3-4-6-8小時定時開關IC芯片
5秒延時IC芯片
EC340EGB 可調定時器芯片
電話咨詢
產品中心
聯系麗晶微
網站地圖