EH4B03-B118工業級秒定時器芯片
一.功能說明
EH4B03是一款工業級定時芯片,多應用于工業設備,手持儀器,戶外對芯片要求較高的電子產品上面;封裝為SOT23-6小封裝;
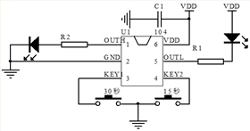
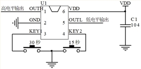
兩路按鍵輸入控制,兩路電平信號同步輸出:一路OUTH高電平輸出、一路OUTL低電平輸出。
上電不工作,OUTH為低電平,OUTL為高電平,短按按鍵開始計時OUTH輸出高電平、OUTL輸出低電平,計時結束電平信號翻轉。中途觸發停止計時輸出信號翻轉。
KEY1:短按開啟30秒定時。
KEY2:短按開啟15秒定時。
二.極限參數
Absolute Maximum Ratings
Voltage applied at VDD to VSS ....................................................................- 0.3V to 6.0V
Voltage applied at any pin to VSS.................................................................- 0.3V to VDD+0.3V
Operating ambient temperature................................................................-40°C to 85°C
Storage ambient temperature .................................................................. -40°C to 125°C
三.電氣參數
四.封裝腳位圖
主控推LED應用圖參考
*C2電容可根據電源實際需要調整或省略
六.封裝尺寸圖
七.版本說明


40秒定時芯片SOT23-6
5/10/15/30秒定時芯片
10/25秒定時芯片
EH5704 5秒延時芯片
電話咨詢
產品中心
聯系麗晶微
網站地圖