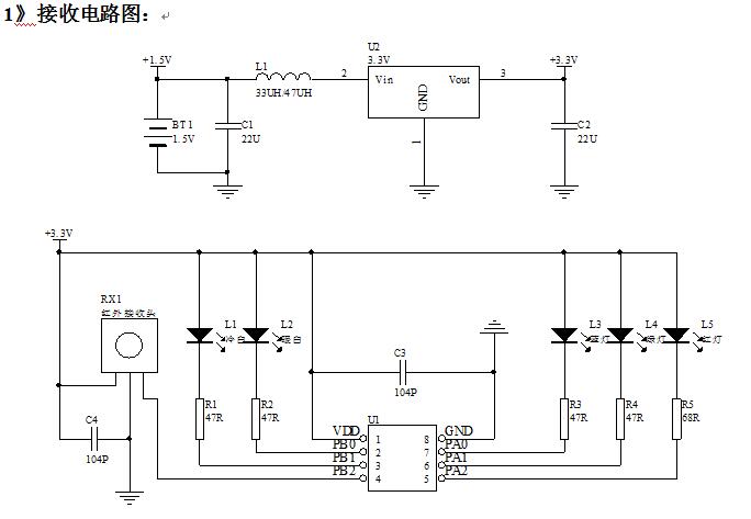
一、5小時-19小時遙循環定時電子蠟燭IC芯片,接收DC1.5V,升壓到3.3V。 發射DC3V。
二、接收部分共4路輸出;R,G,B,W,(R-G-B用一顆七彩LED)上電不工作,功能由遙控器控制。
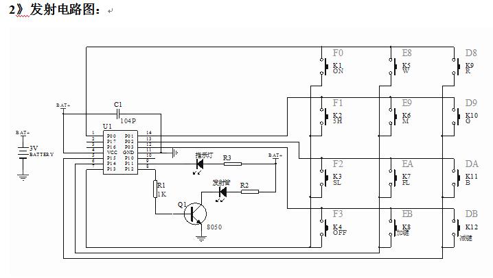
三、遙控器部分:共12個按鍵,功能如下 :

《1》ON鍵:打開按鍵,只有ON打開后其余按鍵才有效,定時芯片在OFF時按下ON初始工作狀態是紅
燈常亮,亮度100%,在其他工作狀態時按ON無效。
《2》OFF鍵:關閉按鍵,定時器IC芯片在任何工作狀態下都可以關閉。
《3》R鍵:打開ON后按鍵有效,按下R紅燈常亮。
《4》G鍵:打開ON后按鍵有效,按下G綠燈常亮。
《5》B鍵:打開ON后按鍵有效,按下B藍燈常亮。
《6》W鍵:打開ON后按鍵有效,定時IC芯片在任何工作狀態時按下W暖白燈常亮。
《7》M鍵:打開ON后按鍵有效,定時IC在任何工作狀態時按下M七彩閃,再按一下重新從紅色開始閃。
《8》5H鍵:打開ON后按鍵有效,定時蠟燭IC在任何當前工作狀態時按下開始計時5小時不循環,5小
時后自動OFF。不改變輸出狀態,工作時重新按下重新計時,按下有閃爍提示。只有按下5H按鍵時才
有定時,當按其他任何按鍵轉換工作狀態時,會取消定時,進入當前工作不定時狀態。
《9》SL鍵:打開ON后按鍵有效,工作狀態時按下SL,LED蠟燭慢閃,當在七彩閃功能時無效。
《10》FL鍵:打開ON后按鍵有效,工作狀態時按下FL,LED蠟燭快閃,當在七彩閃功能時無效。
《11》加亮鍵:亮度加鍵,在任何燈光模式下都可以加亮度,共5檔,定時狀態下不改變定時時間。
《12》減亮鍵:亮度減鍵,在任何燈光模式下都可以減亮度,共5檔,定時狀態下不改變定時時間。